Ручные цепные тали используются для подъема и перемещения грузов массой до 10 тонн. Эти модели не зависят от источника электричества, поэтому могут применяться для неотапливаемых помещений и эксплуатироваться при высокой влажности.
Завод «Взлет» предлагает купить цепную ручную таль для поднятия груза на производственных площадках, складах и для ремонта сельскохозяйственной техники в полевых условиях.
Для работы с грузами используется шестеренный механизм. Максимальная высота подъема может быть увеличена до 12 метров за счет увеличения длины цепей.
Преимущества ручных цепных талей
- Простота конструкции. Отсутствие необходимости подключения к электросети делает этот подъемный механизм автономным. Шестеренчатая передача позволяет минимизировать износ звеньев цепи.
- Высокая мобильность. Вес модели начального уровня с грузоподъемностью 500 кг не превышает 8 кг. Это облегчает перевозку ручной тали. Модель с грузоподъемностью 3,2 тонны имеет массу 45 кг.
- Надежность и простота монтажа. Для установки цепной тали может использоваться любая подходящая опора. Чтобы организовать возможность перемещения груза, устанавливается двутавровая балка. Она может быть закреплена на двух опорах, в том числе разборных.
- Доступная цена и низкая стоимость обслуживания. Устройство не содержит электродвигателя, что уменьшает ее стоимость и снижает сложность обслуживания.
Масса устройства в сборе зависит от длины цепи. Это следует учитывать при расчете прочности опор или подвесов для двутавровой балки. Так, общий вес механизма и цепей для его подвеса для модели с грузоподъемностью 3,2 тонны составляет около 100 кг. При эксплуатации ручных цепных талей следует соблюдать правила безопасности, так как оператор на протяжении всех операций с грузом находится рядом с ним.
Технические характеристики
|
Модель
|
Грузоподъемность, т
|
Тяговое усилие, Н, не более
|
Масса тали с цепями при высоте (Н) подъема, кг, не более
|
Масса (без цепей), кг, не более
|
|
Н=3 м
|
Н=6 м
|
Н=9 м
|
Н=12 м
|
|
ТРШАМ-0,5
|
0,5
|
300
|
12
|
17
|
22
|
27
|
8
|
|
ТРШБМ-1,0
|
1
|
300
|
23
|
32
|
42
|
52
|
17
|
|
ТРШБМ-2,0
|
2
|
320
|
40
|
52
|
64
|
76
|
35
|
|
ТРШБМ-3,2
|
3,2
|
470
|
79
|
93
|
108
|
122
|
66
|
|
ТРШБМ-5,0
|
5
|
470
|
110
|
133
|
157
|
181
|
85
|
|
ТРШБМ-10,0
|
10
|
550
|
221
|
257
|
293
|
329
|
185
|
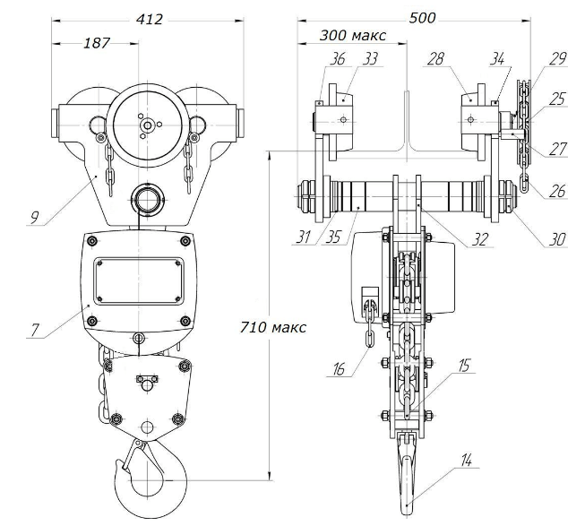
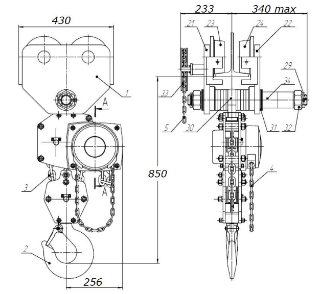
А - тали без привода механизма передвижения, Б - тали с приводом механизма передвижения
Схемы моделей ручных талей передвижная шестеренных
Модель ТРШАМ-0,5

Модель ТРШБМ-1,0

Модель ТРШБМ-2,0

Модель ТРШБМ-3,2

Модель ТРШБМ-5,0

Модель ТРШБМ-10,0
