Заявка пуста

Обратная связь

Ваше сообщение успешно отправлено. Спасибо.

Поршневой компрессор К-11

111_1613080914
5 5 1 Product
Цена по запросу

+

Характеристики

95 кг
100 х 47 х 80 см
60 л
+
160 л/мин
300 л/мин
10 кг/м²
ZS177F

Электрический поршневой компрессор К-11 Бежецкого завода сконструирован на основе компрессорной головки С-412М. Устройство выгодно отличается от известной модели С-412М наличием реле давления и 60-литрового ресивера.

Полный список агрегатов смотрите на странице Поршневые компрессоры

Производительность электрического поршневого компрессора К-11 не слишком высока, однако компрессорная головка из чугунного литья позволяет агрегату достаточно долго работать при высоких нагрузках.

Отличает эту машину также компактность и нетребовательность к условиям использования. Использоваться она может в бытовых или промышленных условиях для поставки сжатого воздуха к окрасочному оборудованию, пневмоинструменту, установкам для ремонта авто, опрессовки труб разного назначения.

Особенности:

  • Высокие параметры ремонтопригодности и постоянное наличие в продаже деталей делают воздушный компрессор К-11 весьма удобным в обслуживании;
  • Универсальность использования, надежность;
  • Производительность в пределах 160 л/ч;
  • Устойчивость к интенсивным условиям использования;
  • Двигатель электрический 380В, 2.2. кВт;
  • Наличие колес и рукоятки для транспортировки;
 

Характеристики

Тип Передвижной
Производительность, л/мин 160
Давление, бар 10
Объем ресивера, л 60
Расположение ресивера Горизонтальный
Мощность, кВт 2,2
Напряжение, В 380
Модель компрессорной головки С-412М
Тип привода Ременной
Размер, мм 1000х470х800
Вес, кг 95
Реле давления Да
Страна Россия

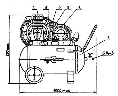
Установка компрессорная, модель К-11

1- ресивер, 2- электродвигатель, 3- ограждение, 4- ремень приводной, 5- трубопровод, 6- головка компрессорная.

Установка компрессорная, модель К 11

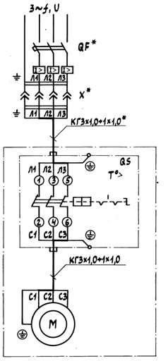
Схема электрическая принципиальная и соединений установки компрессорной, модель К-11

Схема электрическая принципиальная и соединений компрессорной установки, модель к 11

Работа электрической схемы.

Установка К-11 выпускается для подключения в трехфазную четырехпроводную сеть с напряжением 380 В, 50Гц.

Установка К-11 подключается к электрической сети через автоматический выключатель QF (см. эл. схему).

Завод рекомендует подключать установку через устройство защитного отключения (УЗО) в соответствии со схемой подключения.

 

Список комментариев:
Никаких комментариев пока не отправлено.
Рейтинг:

Оставьте отзыв о товаре:

Логин:

Другие модели из категории

Наверх