Водонагреватель использует в качестве нагревательных элементов ТЭНы (трубчатые электронагреватели). ВЭТ-500/15 используется для подогрева жидкостей и поддержания заданной температуры данных жидкостей (при этом они не должны агрессивно воздействовать на нержавеющую сталь).
Накопительные водонагреватели из нержавеющей стали с другими характеристиками смотрите на странице Водонагреватели ВЭТ
В закрытых и открытых системах горячего водоснабжения также целесообразно использовать водонагреватель ВЭТ-500/15 Иртыш. В быту и на предприятиях этот водонагреватель отлично нагреет воду при водяном отоплении. Также возможно использование для технических нужд для проточно-аккумуляционного нагрева разнообразных неагрессивных жидкостей.
Принцип работы
- Водонагреватель ВЭТ-500/15 Иртыш нагревает воду, которая отдаёт тепло в воздух;
- Температура в бачке держится на определённом уровне благодаря тому, что периодически ТЭНы подключаются к электропитанию. Происходит это при помощи пульта дистанционного управления;
- Сигнал на пульт поступает от датчиков температур (измерительного и аварийного) и контроллера наличия воды.
Элементы водонагревателя:
- Воздухоотводчик. Помогает в автоматическом режиме избавиться от воздуха в водонагревателе ВЭТ-500/15;
- Шаровый кран;
- Термоманометр – для контроля давления и температур;
- Термостат. Датчик перегрева управляется биметаллической пластиной. При повышении температуры катушка пускателя обесточивается благодаря размыканию контактов. При понижении температуры воды пускатель включается, т.к. контакты датчика замыкаются;
- Трубчатые электронагреватели. В данной модели водонагревателя используются общепромышленные ТЭНы с покрытием из нержавеющей стали, которые крепятся на соединительных фланцах внизу бака на уровне присоединительного патрубка;
- Колодка подключения водонагревателя ВЭТ-500/15 Иртыш к шкафу управления;
- Шкаф подключения трубчатых электронагревателей;
- Отверстие для подъёма;
- Теплоизоляция из базальтового огнезащитного рулонного материала (БТВ). Благодаря утеплению высокая температура воды поддерживается достаточно долго;
- Предохранительный клапан. Настроен на давление в 0,6 мегапаскалей, предотвращает в случае чрезмерного повышения давления в баке, его аварийный разрыв;
- Трубопровод горячей воды;
- Преобразователь температур;
- Бак из нержавеющей стали марки 12Х18Н10Т или аналогичный;
- Рециркуляционный турбопровод;
- Чехол для защиты;
- Трубопровод для холодной воды;
- Обратный клапан. Предотвращает обратное движение воды в водонагревателе;
- Кран для слива воды с внутренней резьбой;
- Болт заземления;
- Мини-выключатель водонагревателя ВЭТ-500/15 Иртыш. Поплавковый выключатель служит для предохранения включения водонагревателя без воды.
В качестве нагревательных элементов в водонагревателе ВЭТ-500/15 Иртыш использованы общепромышленные трубчатые электронагреватели (ТЭН) с оболочкой из нержавеющей стали, установленные на резьбовых фланцах. Трубчатые нагреватели ТЭН устанавливаются в нижней части бака на уровне входного патрубка посредством резьбового соединения.
В корпусе бака водонагревателя ВЭТ-500/15 Иртыш установлен измерительный датчик температуры, датчик перегрева, датчик наличия воды, термоманометр. Выводы датчиков соединены с соответствующими выводами, установленного в шкафу на корпусе бака. Датчик перегрева типа Т24А085 представляет собой нормально замкнутые контакты, управляемые биметаллической пластиной. При температуре 83-85°С контакты размыкаются и обесточивают катушку пускателя. При остывании нагреваемой воды до 72-78°С контакты датчика замыкаются, обеспечивая возможность включения пускателя.
Измерительный датчик температуры расположен на уровне выходного патрубка нагревателя ВЭТ-500/15 и контролирует температуру наиболее горячего слоя воды, непосредственно используемой при водоразборе.
Миниатюрный поплавковый выключатель (датчик наличия воды) предназначен защиты водонагревателя от включения без воды.
Предохранительный клапан настроен на давление (0,6±0,15) МПа и предназначен для предотвращения аварийного разрыва корпуса водонагревателя ВЭТ-500/15 вследствие повышения давления в нём до непредусмотренного уровня.
Для визуального контроля основных параметров воды (давления и температуры) в корпусе водонагревателя ВЭТ-500/15 Иртыш установлен термоманометр.
Для предотвращения движения обратного потока воды в водонагревателе ВЭТ-500/15 Иртыш на входном патрубке установлен обратный клапан.
Сверху и сбоку водонагреватель ВЭТ-500/15 Иртыш утеплен прошивными матами из базальтового тонкого волокна (БТВ) ТМ "АМАКС". Дно водонагревателя утеплено системой напыления ППУ Polynor. Утепление водонагревателя позволяет сохранять температуру воды длительный срок.
Отгрузка водонагревателей ВЭТ-500/15 Иртыш производится любой транспортной компанией в любые города России и стран СНГ. Упаковка, обрешетка и доставка до терминала транспортной компании в г. Омск производится за счет «Предприятия Взлет».
Пульт управления
- выключатели,
- пускатель,
- терморегулятор (программируется в зависимости от режима эксплуатации).
Предназначен для контроля и поддержания необходимой температуры воды, защиты от перегрева, блокировки незапланированного нагрева водонагревателя ВЭТ-500/15 Иртыш, защиты электрооборудования от перегрузок.
Требования к воде
Водонагреватель ВЭТ-500/15 Иртыш будет полноценно функционировать, если:
- Наличие в воде растворённого кислорода будет не более 100мг/л;
- Водородный показатель кислотности (вес водорода) 6-9 рН;
- Жёсткость воды не более 6 миллиграмм-эквивалентов/литр.
Технические параметры водонагревателя
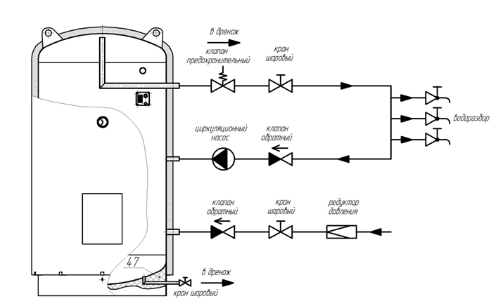
Схема обвязки водонагревателя ВЭТ-500/15 Иртыш с линией рециркуляции

Доставка водонагревателей ВЭТ-500/15 Иртыш возможна во все города России и СНГ. Доставку до терминала, упаковку выполняет Предприятие Взлёт, г. Омск.
| № п/п | Характеристика | Показатель |
| 1 |
Бак |
500 литров |
| 2 |
Номинальная мощность трубчатых электронагревателей |
15 киловатт |
| 3 |
Сеть |
220/380 вольт |
| 4 |
Максимальное рабочее давление |
0,6 мегапаскаль |
| 5 |
Пробное (избыточное) давление |
0,9 мегапаскаль |
| 6 |
Настраиваемая температура |
От 0 до 85°С |
| 7 |
Размеры |
h – 2100 миллиметров d – 700 миллиметров |
| 8 |
Масса |
118 килограмм |
| 9 |
Нагрев (скорость) |
24 градуса/час |
| 10 |
Блокируется при температуре |
85°С |
| 11 |
Бак |
Нержавеющая сталь |