Заявка пуста

Обратная связь

Ваше сообщение успешно отправлено. Спасибо.

Винтовой насос А13В 4/25-3/25Б

Цена по запросу

+

Назначение и эксплуатационные условия

Насос трехвинтовой А1 3В и агрегаты электронасосные на его основе предназначены для перекачивания неагрессивных жидкостей без абразивных примесей, обладающих смазывающей способностью, с кинематической вязкостью от 0,1×10-4 до 7,5×10-4 м²/с (от 1,9 до 1000 ВУ) и температурой до 353 К (80°С).

Нижний предел вязкости ограничивается смазывающей способностью перекачиваемой жидкости. При перекачивании жидкостей, аналогичных дизельному топливу, давление на выходе должно быть снижено до 0,5 МПа
(5,0 кгс/см²). Верхний предел вязкости ограничивается частотой вращения и мощностью комплектующего привода.

По согласованию с предприятием-изготовителем допускается применение насосов для перекачивания жидкостей с температурой до 373 К (100°С).

Насос относится к изделиям общего назначения (ИОН) вид 1 (восстанавливаемый) ГОСТ 27.003-90. Климатическое исполнение У, категория размещения при эксплуатации 3, а так же климатическое исполнение Т, категория размещения при эксплуатации 2 по ГОСТ 15150-69.

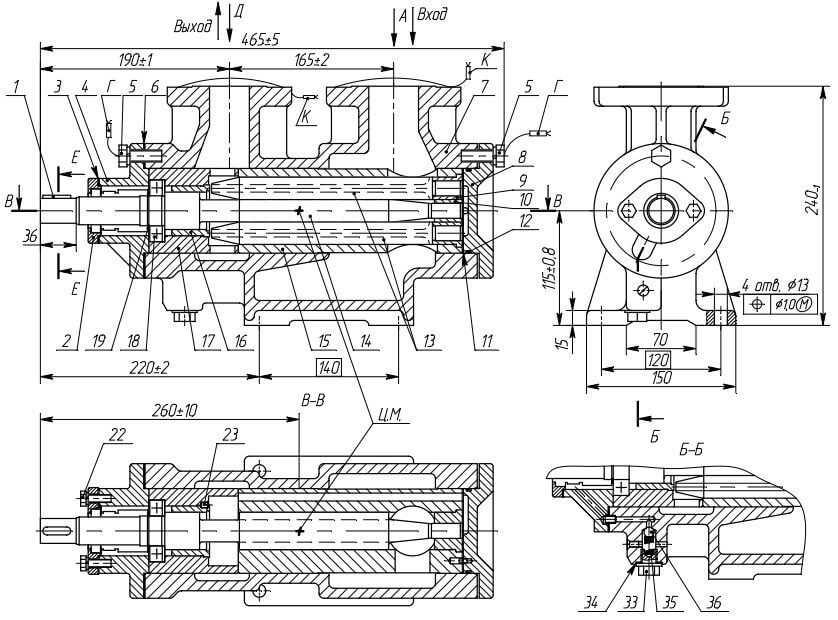
Устройство насоса

По принципу действия трехвинтовой насос - объемный. Насос состоит из следующих основных деталей и сборочных единиц: корпуса с крышками, обоймы, одного ведущего и двух ведомых винтов, торцового уплотнения.

Внутри корпуса вставлена обойма с тремя смежными цилиндрическими расточками, в которых расположены один ведущий и два ведомых винта, служащих для уплотнения ведущего винта. Профиль нарезки винтов специальный, обеспечивающий их взаимное сопряжение, нарезка двухзаходная, на ведущем винте левая, на ведомых - правая.

При вращении винтов во всасывающей камере насоса создается разряжение, в результате чего перекачиваемая жидкость под давлением атмосферы поступает во впадины нарезки винтов, взаимно замыкающихся при их вращении. Замкнутый в нарезке винтов объем жидкости перемещается в обойме прямолинейно без перемешивания и вытесняется в нагнетательную полость. Направление входа и выхода перекачиваемых жидкостей на рисунках указано стрелками.
Тип уплотнения вала - торцовое (одинарное или двойное).

Винтовой насос А13В 4/25-3/25Б

Винтовой насос А13В 4/25-3/25Б

Условные обозначения

Насосный агрегат А1 3В 4/25-3/25Б-1 У2 ТУ 26-06-1546-89.
где, А1 - конструктивное исполнение насоса;
3В - насосы трехвинтовые;
4 - теоретическая производительность насоса в литрах на сто оборотов;
25 - расчетное давление насоса в кгс/см²;
3 - производительность насоса в агрегате в м³/ч;
25 - максимальное давление создаваемое насосом в агрегате в кгс/см²;
Б - обозначение материала обоймы - бронза;
1 - исполнение агрегата по двигателю;
У - климатическое исполнение агрегата;
2 - категория размещения агрегата;
ТУ 26-06-1546-89 технические условия на поставку.

Основные технические характеристики

Марка Подача Давление Частота вращения Мощность двигателя КПД насоса ДКЗ Масса насоса
А13В 4/25-3/25Б 3,0 м3 25 кг/см2 1450 об/мин 5,5 кВт 66 % не более 6 м 40 кг

Габаритные размеры

Габаритные размеры насосного агрегата А13В 4/25-3/25Б
Марка Размеры, мм Масса, кг
L B H
А13В 4/25-3/25Б-1 945 305 395 120
А13В 4/25-3/25Б 1090 390 480 180

Гидравлическая характеристика

Гидравлическая характеристика насоса А13В 4/25-3/25Б

Показатели надежности

Средний ресурс изделия до капитального ремонта, 25 000 часов.
Средний срок службы - 6 лет.
Срок сохраняемости - 2 года.
Средняя наработка до отказа 6500 часов.
Среднее время до восстановления - 4,5 ч.

Список комментариев:
Никаких комментариев пока не отправлено.
Рейтинг:

Оставьте отзыв о товаре:

Логин:

Другие модели из категории

Наверх