Заявка пуста

Обратная связь

Ваше сообщение успешно отправлено. Спасибо.

Насос 1Д1250-125

Насос 1Д1250-125 Болгария
5 5 1 Product
Цена по запросу

+

Характеристики

1250 м³/ч
125.00 м
1450 об/мин
625.00 кВт
5.50 м

Конструкция насосов 1Д1250-125: горизонтальные, центробежные, одноступенчатые насосы с горизонтальным разъемом корпуса, рабочее колесо двухстороннего входа.

Другие модели насосов двустороннего входа смотрите на странице Насосы Д, 1Д

Материалы проточной части насосов: рабочее колесо - чугун СЧ25, вал - Сталь 45.

Уплотнение вала: сальниковое.

Перекачиваемые среды:

  • вода и жидкости, сходные с водой по вязкости и химической активности;
  • температура перекачиваемой жидкости – от +1 до +85°С;
  • допускаемые абразивные включения: содержание по массе - не более 0,05%, размер - не более 0,2 мм.

Основные технические характеристики насоса 1Д1250-125

Типоразмер насосаПараметрыПараметры электродвигателяМасса
агрегата
Q, м³/чH, м.ДКЗ, мМаркаМощность, кВтоб/минкг
Насос 1Д1250-125 1250 125 5,5 ДАЗО4-450Х-4М 630 1450 4830
Габаритный чертеж насоса 1Д1250-125

Размеры насосов 1Д1250-125

НасосРазмер, мм
1Д1250-125LL1ll1l2l3l4l5BB1HH1H2H3hA1A2 
1421 782 710 400 710 450 440 180 1050 450 1005 530 400 300 85 630 630  
A3DD1D2D3D4D5D6D7dd1d2d3nn1b Масса,кг
360 485 445 415 350 335 295 280 200 22 22 35 80 12 12 22   1515
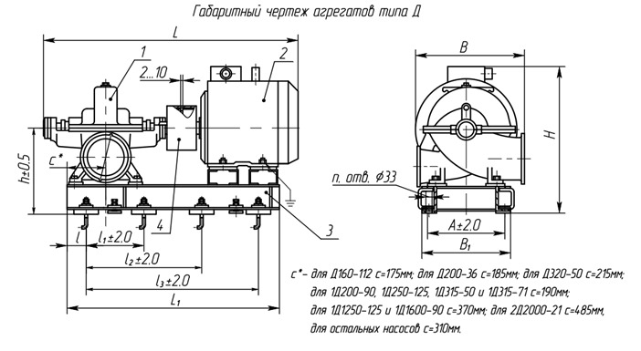
Габаритный чертеж агрегатов типа 1Д

Размеры насосных агрегатов 1Д1250-125

Тип
насоса
LL1ll1l2l3BB1AHhnДвигательМощ-
ность
кВт
Масса
кг
Масса
агрегата
кг

1250-125
3255 2655 250 700 1400 2100 1420 1005 920 1835 810 8 ДАЗО4-450Х-4М 630 2900 4830
3180 2810 250 720 1440 2160 1540 1005 920 1795 810 8 А4-85/43-4 У3 630 2800 4700
3526 2930 250 800 1600 2400 1540 1005 920 1835 810 8 ДАЗО4-85/49-4 У 630 3325 5335
Характеристики насоса 1Д1250-125Строповка агрегатов типа 1Д

ЭКСПЛУАТАЦИОННАЯ ХАРАКТЕРИСТИКА 1Д1250-63

Средняя наработка до отказа, ч 9000
Средний ресурс до капитального ремонта, ч 35000
Среднее время до восстановления, ч 20
Назначенный срок службы, лет 30
Срок сохраняемости, лет 3
Список комментариев:
Никаких комментариев пока не отправлено.
Рейтинг:

Оставьте отзыв о товаре:

Логин:

Другие модели из категории

Цена по запросу Насос Д320-70
Цена по запросу Насос 1Д1250-125б
Цена по запросу Насос 1Д1250-63а (1000)
Наверх