Заявка пуста

Обратная связь

Ваше сообщение успешно отправлено. Спасибо.

Насос 1Д1250-63

Насос 1Д1250-63 Болгария
4.5 5 2 Product
Цена по запросу

+

Характеристики

1250 м³/ч
63.00 м
1450 об/мин
290.00 кВт
6.00 м

Конструкция насосов 1Д1250-63: горизонтальные, центробежные, одноступенчатые насосы с горизонтальным разъемом корпуса, рабочее колесо двухстороннего входа.

Другие модели насосов двустороннего входа смотрите на странице Насосы Д, 1Д

Материалы проточной части насосов: рабочее колесо - чугун СЧ25, вал - Сталь 45.

Уплотнение вала: сальниковое.

Перекачиваемые среды:

  • вода и жидкости, сходные с водой по вязкости и химической активности;
  • температура перекачиваемой жидкости – от +1 до +85°С;
  • допускаемые абразивные включения: содержание по массе - не более 0,05%, размер - не более 0,2 мм.

Основные технические характеристики насоса 1Д1250-63

Типоразмер насосаПараметрыПараметры электродвигателяМасса
агрегата
Q, м³/чH, м.ДКЗ, мМаркаМощность, кВтоб/минкг
Насос 1Д1250-63 1250 63 6,0 5АН355А4 315 1450 2485
Габаритный чертеж насоса 1Д

Размеры насосов 1Д1250-63

НасосРазмер, мм
1Д1250-63LL1ll1l2l3l4l5BB1HH1H2H3hA1A2 
1185 665 590 350 590 390 360 160 950 500 897 500 340 300 64 530 530  
A3DD1D2D3D4D5D6D7dd1d2d3nn1b Масса,кг
300 485 445 415 350 390 350 320 250 22 22 28 60 12 8 18   800
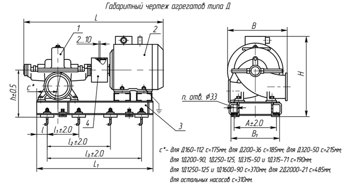
Габаритный чертеж агрегатов типа 1Д

Размеры насосных агрегатов 1Д1250-63

Тип насосаLL1ll1l2l3BB1AHhnДвигательМощ-ность
кВт
Масса
кг
Масса
агрегата
кг
1Д1250-63 2370 2064 310 - 700 1400 950 720 650 1210 725 6 5АН355-А4 У3.Т 315 1290 2485
2670 2385 310 - 700 1400 1050 720 650 1175 690 6 ДАВ-315-4 У3 315 1450 2583
2425 2205 310 - 700 1400 950 720 650 1425 690 6 ДАН355-S4 У3 315 1270 2387
2970 2415 200 650 1300 1950 1320 885 800 1640 770 8 ДАЗО4-400ХК-4М 315 2190 3385
2755 2210 310 - 700 1400 1040 720 650 1280 690 6 А4-355Х-4 У3.Т 315 1450 2558
Характеристики насоса 1ДСтроповка агрегатов типа 1Д1250-63

ЭКСПЛУАТАЦИОННАЯ ХАРАКТЕРИСТИКА 1Д1250-63

Средняя наработка до отказа, ч 9000
Средний ресурс до капитального ремонта, ч 35000
Среднее время до восстановления, ч 20
Назначенный срок службы, лет 30
Срок сохраняемости, лет 3
Список комментариев:
Никаких комментариев пока не отправлено.
Рейтинг:

Оставьте отзыв о товаре:

Логин:

Другие модели из категории

Цена по запросу Насос 1Д630-90б (1000)
Цена по запросу Насос 1Д1600-90а
Цена по запросу Насос 1Д1250-63а (1000)
Наверх