Заявка пуста

Обратная связь

Ваше сообщение успешно отправлено. Спасибо.

Насос 1Д1250-63б

Насос 1Д1250-63б Болгария
5 5 1 Product
Цена по запросу

+

Характеристики

1050 м³/ч
44.00 м
1450 об/мин
175.00 кВт
6.20 м

Конструкция насосов 1Д1250-63б: горизонтальные, центробежные, одноступен­чатые насосы с горизонтальным разъемом корпуса, рабочее колесо двухстороннего входа.

Другие модели насосов двустороннего входа смотрите на странице Насосы Д, 1Д

Материалы проточной части насосов: рабочее колесо - чугун СЧ25, вал - Сталь 45.

Уплотнение вала: сальниковое.

Перекачиваемые среды:

  • вода и жидкости, сходные с водой по вязкости и химической активности;
  • температура перекачиваемой жидкости – от +1 до +85°С;
  • допускаемые абразивные включения: содержание по массе - не более 0,05%, размер - не более 0,2 мм.

Основные технические характеристики насоса 1Д1250-63б

Типоразмер насосаПараметрыПараметры электродвигателяМасса
агрегата
Q, м³/чH, м.ДКЗ, мМаркаМощность, кВтоб/минкг
Насос 1Д1250-63б 1050 44 6,2 5АМ315М4 200 1450 2235
Габаритный чертеж насоса 1Д

Размеры насосов 1Д1250-63б

НасосРазмер, мм
1Д1250-63бLL1ll1l2l3l4l5BB1HH1H2H3hA1A2 
1185 665 590 350 590 390 360 160 950 500 897 500 340 300 64 530 530  
A3DD1D2D3D4D5D6D7dd1d2d3nn1b Масса,кг
300 485 445 415 350 390 350 320 250 22 22 28 60 12 8 18   800
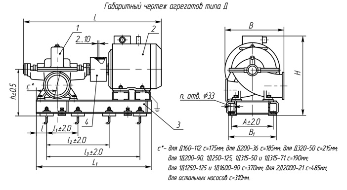
Габаритный чертеж агрегатов типа 1Д1250-63б

Размеры насосных агрегатов 1Д1250-63б

Тип насосаLL1ll1l2l3BB1AHhnДвигательМощ-ность
кВт
Масса
кг
Масса
агрегата
кг
1Д1250-63б 2635 1970 310 - 620 1265 950 600 540 1175 725 6 5АМ315-М4 У3.Т 200 1150 2235
2635 1970 310 - 620 1265 950 600 540 1175 725 6 5АМН315-S4 У3 200 1050 2135
2235 1920 310 - 620 1265 950 600 540 1225 725 6 5АН315-А4 У3.Т 200 900 1980
2675 2130 310 - 700 1400 1040 720 650 1280 690 6 А4-355LК-4 У3 200 1200 2300
2240 2025 310 - 620 1265 950 600 540 1260 725 6 ДАН-315-S4 У3 200 970 1960
Характеристики насоса 1Д1250-63бСтроповка агрегатов типа 1Д

ЭКСПЛУАТАЦИОННАЯ ХАРАКТЕРИСТИКА 1Д1250-63б

Средняя наработка до отказа, ч 9000
Средний ресурс до капитального ремонта, ч 35000
Среднее время до восстановления, ч 20
Назначенный срок службы, лет 30
Срок сохраняемости, лет 3
Список комментариев:
Никаких комментариев пока не отправлено.
Рейтинг:

Оставьте отзыв о товаре:

Логин:

Другие модели из категории

Цена по запросу Насос 1Д1250-63б (1000)
Цена по запросу Насос 1Д1600-90
Цена по запросу Насос 1Д500-63
Наверх