Заявка пуста

Обратная связь

Ваше сообщение успешно отправлено. Спасибо.

Насос 1Д630-90

Насос 1Д630-90 Болгария
3.33333 5 6 Product
Цена по запросу

+

Характеристики

630 м³/ч
90.00 м
1450 об/мин
230.00 кВт
5.50 м

Конструкция насосов 1Д630-90: горизонтальные, центробежные, одноступенчатые насосы с горизонтальным разъемом корпуса, рабочее колесо двухстороннего входа.

Другие модели насосов двустороннего входа смотрите на странице Насосы Д, 1Д

Материалы проточной части насосов: рабочее колесо - чугун СЧ25, вал - Сталь 45.

Уплотнение вала: сальниковое.

Перекачиваемые среды:

  • вода и жидкости, сходные с водой по вязкости и химической активности;
  • температура перекачиваемой жидкости – от +1 до +85°С;
  • допускаемые абразивные включения: содержание по массе - не более 0,05%, размер - не более 0,2 мм.

Основные технические характеристики насоса 1Д630-90

Типоразмер насосаПараметрыПараметры электродвигателяМасса
агрегата
Q, м.куб./чH, м.ДКЗ, мМаркаМощность, кВтоб/минкг
1Д630-90 630 90 5,5 ДАВ-315-4У3 315 1450 2432
1Д630-90 630 90 5,5 АИР355M4 250 1450 2352
Габаритный чертеж насоса 1Д630-90

Размеры насосов 1Д630-90

НасосРазмер, мм
1Д630-90LL1ll1l2l3l4l5BB1HH1H2H3hA1A2 
1145 645 590 360 590 390 360 160 1000 500 845 440 330 270 64 530 530  
A3DD1D2D3D4D5D6D7dd1d2d3nn1b Масса,кг
300 370 335 312 250 335 295 268 200 18 22 28 60 12 12 18   540
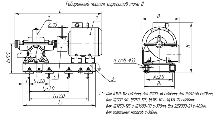
Габаритный чертеж агрегатов типа 1Д

Размеры насосных агрегатов 1Д630-90

Марка насосаРазмеры в ммn
LL1II1I2I3BB1AHh
1Д630-90 2930 2435 200 650 1300 1950 1320 885 800 1580 710 8
2930 2435 200 650 1300 1950 1320 885 800 1580 710 8
2360 2125 310 - 700 1400 1090 720 660 1535 665 6
2445 1960 630 1250 1000 600 540 1115
2195 1930 1175
2250 2065 1200
2580 2290 700 1400 1090 720 660 1110

Возможный вариант агрегатирования электродвигателем

Марка насосаДвигательМасса агрегата, кг
ТипоразмерМощность, кВтНапряжение, ВМасса, кг
1Д630-90 ДА304 400XK-4M У1 315 6000 2190 3050
ДА304 400X-4M T2 315 2330 3050
А4-355-L4 УЗ, ТЗ   1250 2070
5АМН315-М4 УЗ 380/660 1050 1940
5АН315-В4УЗ, ТЗ 990 1780
ДАН315-М4 УЗ 970 1775
ДАВ250-4 УЗ 6000 1420 2260
Характеристики насоса 1Д630-90Строповка агрегатов типа 1Д

 

Список комментариев:
Никаких комментариев пока не отправлено.
Рейтинг:

Оставьте отзыв о товаре:

Логин:

Другие модели из категории

Цена по запросу Насос 1Д1600-90а (1000)
Цена по запросу Насос 1Д250-125а
Цена по запросу Насос 1Д1250-63б (1000)
Наверх