Заявка пуста

Обратная связь

Ваше сообщение успешно отправлено. Спасибо.

Насос 2Д2000-21а (1000)

Насос 2Д2000-21а (1000) Болгария
Цена по запросу

+

Характеристики

1750 м³/ч
18.00 м
980 об/мин
110.00 кВт
5.00 м

Конструкция насосов 2Д2000-21а: горизонтальные, центробежные, одноступенчатые насосы с горизонтальным разъемом корпуса, рабочее колесо двухстороннего входа.

Другие модели насосов двустороннего входа смотрите на странице Насосы Д, 1Д

Материалы проточной части насосов: рабочее колесо - чугун СЧ25, вал - Сталь 45.

Уплотнение вала: сальниковое.

Перекачиваемые среды:

  • вода и жидкости, сходные с водой по вязкости и химической активности;
  • температура перекачиваемой жидкости – от +1 до +85°С;
  • допускаемые абразивные включения: содержание по массе - не более 0,05%, размер - не более 0,2 мм.

Основные технические характеристики насоса 2Д2000-21а

Типоразмер насосаПараметрыПараметры электродвигателяМасса
агрегата
Q, м³/чH, м.ДКЗ, мМаркаМощность, кВтоб/минкг
Насос 2Д2000-21а 1750 18 5,0 5АМ315-S6 110 980 2930
Габаритный чертеж насоса 2Д

Размеры насосов 2Д2000-21а

НасосРазмер, мм
2Д2000-21аLL1ll1l2l3l4l5BB1HH1H2H3hA1A2 
1575 8752 850 450 940 600 630 290 1200 500 1135 710 400 400 85 670 810  
A3DD1D2D3D4D5D6D7dd1d2d3nn1b Масса,кг
510 640 600 570 500 565 515 482 400 22 26 35 80 16 16 22   1565
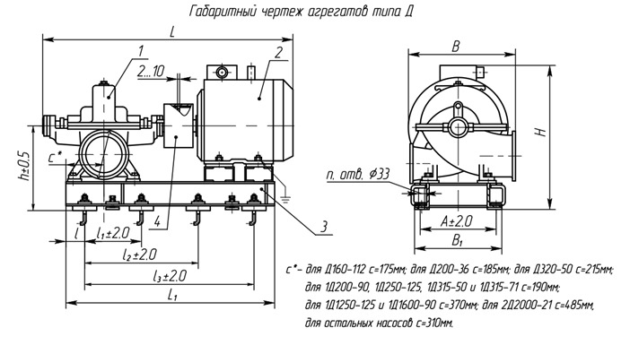
Габаритный чертеж агрегатов типа 2Д

Размеры насосных агрегатов 2Д2000-21а

Тип насосаLL1ll1l2l3BB1AHhnДвигательМощ-
ность
кВт
Масса
кг
Масса
агрегата
кг
Насос 2Д2000-21а 2790 2345 485 - 800 1450 1200 765 670 1435 980 6 5АМ315-S6 У3.Т 110 960 2930
2605 2300 485 - 800 1450 1200 765 670 1450 980 6 5АН280-В6 У3.Т 110 732 2645
Характеристики насоса 2ДСтроповка агрегатов типа 2Д

ЭКСПЛУАТАЦИОННАЯ ХАРАКТЕРИСТИКА 2Д2000-21а

Средняя наработка до отказа, ч 9000
Средний ресурс до капитального ремонта, ч 35000
Среднее время до восстановления, ч 20
Назначенный срок службы, лет 30
Срок сохраняемости, лет 3
Список комментариев:
Никаких комментариев пока не отправлено.
Рейтинг:

Оставьте отзыв о товаре:

Логин:

Другие модели из категории

Цена по запросу Насос 1Д1600-90б (1000)
Цена по запросу Насос 1Д250-125-1450
Цена по запросу Насос 1Д315-71
Наверх