Заявка пуста

Обратная связь

Ваше сообщение успешно отправлено. Спасибо.

Насос СД 16-10 А

5 5 1 Product
Цена по запросу

+

Описание

Насосы типа СД и агрегаты электронасосные на их основе, предназначенные для перекачивания городских и производственных сточных масс и других неагрессивных жидкостей (в том числе с примесью нефтепродуктов не более 2%) плотностью до 1050 кг/м³ с рН=6 - 8,5, с температурой до 353К (80°С) и с содержанием абразивных частиц размером до 5 мм. не более 1% по массе.

Предельная концентрация перекачиваемой массы 2%.

Предельное содержание газа в перекачиваемой среде 5%.

Насосы могут применяться и в других производствах, если по своим параметрам и исполнению они удовлетворяют условиям эксплуатации и безопасности на этих производствах.

Электронасосный агрегат СД может быть изготовлен по заказу потребителя во взрывобезопасном исполнении для работы во взрывоопасных помещениях всех классов, кроме В-1.

Расшифровка обозначения

Данные насосы применяются в различных отраслях промышленности, сельского хозяйства, в системах канализации, водоснабжения.

Значение букв и цифр в условном обозначении электронасосного агрегата (насоса):

СД 16/10 «а»

  • СД – центробежный горизонтальный;
  • 16 – подача м³/ч;
  • 10 – напор м;
  • а – агрегаты (насосы) с уменьшенным по диаметру рабочим колесом.

Технические характеристики

Типоразмер насоса Подача Напор Мощность Частота вращения Давление на входе Параметры энергопитания
МПа кг/см² Род тока Напряжение Частота тока
СД 16/10 «а» 14 м³/ч 8,2 м 1,1 кВт 1500 об/мин 0,25 2,5 Переменный 220, 380 В 50 Гц

Примечания:

  • Значения основных параметров указаны при работе агрегатов на воде с температурой 293К (+20°С) плотностью 1000 кг/м³.
  • Максимально допустимые отклонения по параметрам в соответствии с ГОСТ 6134-2007
  • - для подачи ±8%
  • - для напора ± 5%

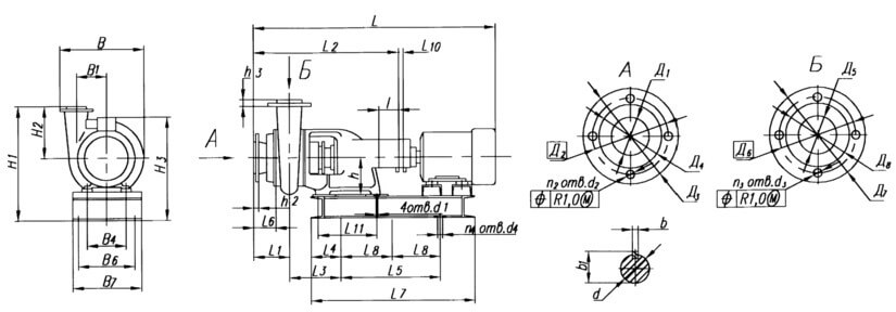
Габаритные и присоединительные размеры

Габаритные и присоединительные размеры насоса СД 16/10 «а»
Типоразмер агрегата Масса, кг Типоразмер электродвигателя L L₁ L₂ L₃ L₄ L₅ L₇ L₈ L₁₀ B B₁
насоса агрегата
СД 16/10 «а» 70 112 А80А4 945 150 645 210 95 480 675 - 1...5 331 112
L₆ L₁₁ B₄ B₆ B₇ H₁ H₂ H₃ d d₁ n₄ d₄ b b₁ l h Д₁ Р₁ МПа Д₂ Д₃ Д₄ n₂ d₂ h₂ Д₅ Р₂, МПа Д₆ Д₇ Д₈ n₃ d₃ h₃
97 225 190 200 240 440 190 375 28 15 4 19 8 31 60 140 50 1,0 125 160 102 4 18 20 40 1,0 110 145 88 4 18 18

Характеристики насосов

Характеристики насосов СД 16/10

Характеристики агрегатов:

1 – СД 16-10; 2 – СД 16-10 «а»; 3 – СД 16-10 «б»

При испытаниях на воде (ρ=1000 кг/м³) при n=1450 об/мин.

Список комментариев:
Никаких комментариев пока не отправлено.
Рейтинг:

Оставьте отзыв о товаре:

Логин:

Другие модели из категории

Цена по запросу Насос СД 450-56
Цена по запросу Насос СДВ 250-22,5
Цена по запросу Насос СД 100-40 А
Наверх