Заявка пуста

Обратная связь

Ваше сообщение успешно отправлено. Спасибо.

Насос СД 32-40

5 5 1 Product
Цена по запросу

+

Описание

Насосы типа СД и агрегаты электронасосные на их основе, предназначенные для перекачивания городских и производственных сточных масс и других неагрессивных жидкостей (в том числе с примесью нефтепродуктов не более 2%) плотностью до 1050 кг/м³ с рН=6 - 8,5, с температурой до 353К (80°С) и с содержанием абразивных частиц размером до 5 мм. не более 1% по массе.
Предельная концентрация перекачиваемой массы 2%. Предельное содержание газа в перекачиваемой среде 5%. Насосы могут применяться и в других производствах, если по своим параметрам и исполнению они удовлетворяют условиям эксплуатации и безопасности на этих производствах.
Электронасосный агрегат СД может быть изготовлен по заказу потребителя во взрывобезопасном исполнении для работы во взрывоопасных помещениях всех классов, кроме В-1.

Расшифровка обозначения

Данные насосы применяются в различных отраслях промышленности, сельского хозяйства, в системах канализации, водоснабжения.
Значение букв и цифр в условном обозначении электронасосного агрегата (насоса): СД 32/40
СД - центробежный горизонтальный;
32 - подача м³/ч;
40 - напор м;

Технические характеристики

Типоразмер насоса Подача  Напор Мощность Частота вращения Давление на входе Параметры энергопитания
МПа кг/см² Род тока Напряжение Частота тока
СД 32/40  32 м3 40 м 11,0 кВт 3000 об/мин 0,25 2,5 Переменный 220, 380  В 50 Гц

Примечания:

  • Значения основных параметров указаны при работе агрегатов на воде с температурой 293К (+20°С) плотностью 1000 кг/м³.
  • Максимально допустимые отклонения по параметрам в соответствии с ГОСТ 6134-2007
  • - для подачи ±8%
  • - для напора ± 5%

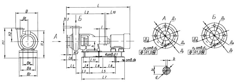
Габаритные и присоединительные размеры

Габаритные и присоединительные размеры
Типоразмер агрегата Масса, кг

Типоразмер электродвигателя

L L1 L2 L3 L4 L5 L7 L8 L10 B B1
насоса агрегата
СД 32/40  70 156 А132М2 1150 150 645 210 95 515 760 - 1...5 331 112
L6 L11 B4 B6 B7 H1 H2 H3 d d1 n4 d4 b b1 l h Д1 Р1 МПа Д2 Д3 Д4 n2 d2 h2 Д5 Р2, МПа Д6 Д7 Д8 n3 d3 h3
97 225 190 200 240 440 190 424 28 15 4 19 8 31 60 140 50 1,0 125 160 102 4 18 20 40 1,0 110 145 88 4 18 18

Характеристики насосов

Характеристики насосов
Характеристики агрегатов:
1 - СД 32-40
2 - СД 32-40 «а»
3 - СД 32-40 «б»
При испытаниях на воде (ρ=1000 кг/м³) при n=2900 об/мин.
Список комментариев:
Никаких комментариев пока не отправлено.
Рейтинг:

Оставьте отзыв о товаре:

Логин:

Другие модели из категории

Цена по запросу Насос СД 16-10 А
Цена по запросу Насос СД 50-10 А
Цена по запросу Насос СД 450-56 Б
Наверх