Заявка пуста

Обратная связь

Ваше сообщение успешно отправлено. Спасибо.

Насос СД 450-95-2 Б

Фотография насоса СД 450-95-2 Б
5 5 1 Product
Цена по запросу

+

Описание

Насосы типа СД и агрегаты электронасосные на их основе, предназначенные для перекачивания городских и производственных сточных масс и других неагрессивных жидкостей (в том числе с примесью нефтепродуктов не более 2%) плотностью до 1050 кг/м³ с рН=6 - 8,5, с температурой до 353К (80°С) и с содержанием абразивных частиц размером до 5 мм. не более 1% по массе.
Предельная концентрация перекачиваемой массы 2%. Предельное содержание газа в перекачиваемой среде 5%. Насосы могут применяться и в других производствах, если по своим параметрам и исполнению они удовлетворяют условиям эксплуатации и безопасности на этих производствах.
Электронасосный агрегат СД может быть изготовлен по заказу потребителя во взрывобезопасном исполнении для работы во взрывоопасных помещениях всех классов, кроме В-1.

Расшифровка обозначения

Данные насосы применяются в различных отраслях промышленности, сельского хозяйства, в системах канализации, водоснабжения.
Значение букв и цифр в условном обозначении электронасосного агрегата (насоса): СД 450/95-2 «б»
СД - центробежный горизонтальный;
450 - подача м³/ч;
95 - напор м;
б – агрегаты (насосы) с уменьшенным по диаметру рабочим колесом.

Технические характеристики

Типоразмер насоса Подача  Напор Мощность Частота вращения Давление на входе Параметры энергопитания
МПа кг/см² Род тока Напряжение Частота тока
СД 450/95-2 «б» 350 м3 65 м 160,0 кВт 1500 об/мин 0,25 2,5 Переменный 220, 380  В 50 Гц

Примечания:

  • Значения основных параметров указаны при работе агрегатов на воде с температурой 293К (+20°С) плотностью 1000 кг/м³.
  • Максимально допустимые отклонения по параметрам в соответствии с ГОСТ 6134-2007
  • - для подачи ±8%
  • - для напора ± 5%

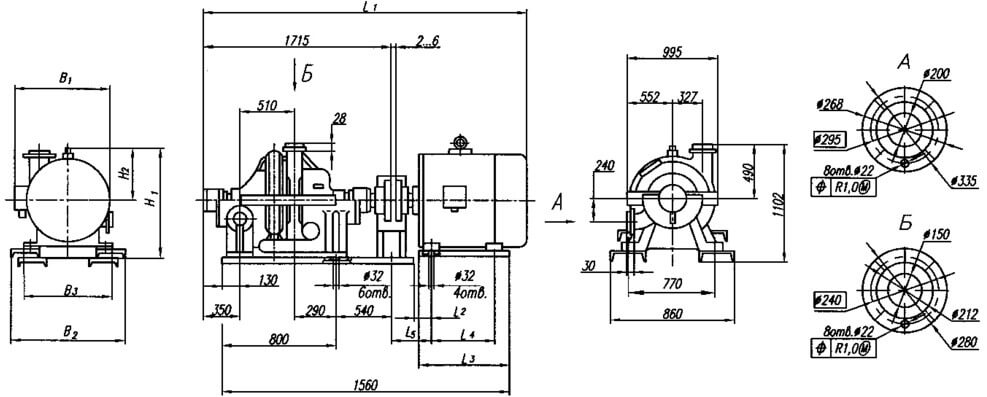
Габаритные и присоединительные размеры

Габаритные и присоединительные размеры
Типоразмер агрегата Масса, кг

Типоразмер электродвигателя

L1 L2 L3 L4 L5 B1 В2 В3 Н1 Н2
насоса агрегата
СД 450/95-2«б» 1700 2710 АИР315S4 3030 80 660 406 295 630 808 708 832 435

Характеристики насосов

Характеристики насосов

Характеристики агрегатов:
1 - СД 450-95-2
2 - СД 450-95-2 «а»
3 - СД 450-95-2 «б»
При испытаниях на воде (ρ=1000 кг/м³) при n=1450 об/мин.

Список комментариев:
Никаких комментариев пока не отправлено.
Рейтинг:

Оставьте отзыв о товаре:

Логин:

Другие модели из категории

Цена по запросу Насос СД 160-45
Цена по запросу Насос СД 100-40
Цена по запросу Насос СД 80-32 Б
Наверх