Заявка пуста

Обратная связь

Ваше сообщение успешно отправлено. Спасибо.

Насос СМ 150-125-400а/4

sm-150-125-400a-4
Цена по запросу

+

Характеристики

1500 об/мин
45 кВт
200 м³/ч
40 м

Насосы СМ 150-125-400а/4 и базирующиеся на них агрегаты предназначаются для перекачки канализационных стоков, в том числе фекальных. Они применимы также для других химически нейтральных жидкостей (рН = 6-8,5). Допускается наличие в рабочей среде нефтепродуктов при их концентрации не выше 2%.

Полный список агрегатов смотрите на странице Насосы СМ

Другие предельные параметры рабочей среды:

  • плотности – 1050 кг/м³;
  • температуры –+80°С;
  • концентрации содержащихся в жидкости веществ:
    • твёрдых частиц с абразивностью – 1% (массовый);
    • газа – 5%;
    • нерастворимых примесей – 2%.

Эксплуатационные условия

  • Климатические – УХЛ и Т (категории размещения 3.1 и 2).
  • Предельный уровень сейсмичности региона – 7-балльный (по шкале MSK-64).
  • Взрыво- и пожароопасность помещений: для насосов модели СМ 150-125-400а/4 с двигателями обычными – не допускается, со взрывозащищёнными (при наличии в насосной части торцевого уплотнения) – зоны 1 и 2 по ГОСТу Р51330.9-99.

Экспортное исполнение соответствует ГОСТу 26-06-2011-79.

Устройство

Насосы относятся по конструкции к центробежному, консольному, горизонтальному типу. Вал уплотняется при помощи сальника или торцевым образом.

Корпус насосного устройства СМ 150-125-400а/4 отливается из чугуна. В отливке имеются отводящая полость спирально-кольцевой формы, входное отверстие, выходной патрубок и лапы для опоры. Входное отверстие располагается соосно с ротором. Направленный вверх по вертикали круглый либо квадратный в сечении нагнетательный патрубок находится с осью рабочего колеса в одной плоскости.

Корпус насоса соединён с корпусом уплотнения кронштейном, в котором установлена пара подшипников, служащих опорой для ротора.

В насосах с уплотнителем сальниковым требуется подача к нему технически чистой воды. Она выполняет одновременно две функции – гидрозатвора и охладителя. Давление воды должно превышать входное в перекачиваемой жидкости минимум на 1–1,5 кгс/см² (в МПа – 0,1–0,15). Для уплотнения торцевого гидрозатвор не нужен.

Центробежный ротор моделей СМ 150-125-400а/4 – закрытого типа, рассчитанные на одностороннюю подачу жидкости. Для разгрузки от сил, действующих по оси, на его диске расположены радиальные лопатки (импеллер).

Электродвигатель приводит во вращение рабочее колесо насоса через муфту. Ротор – левовращающийся.

В выходном патрубке предусмотрено отверстие. Через него выводится воздух из рабочей полости наружу, когда она заполняется жидкостью при пуске. Затем, в случае необходимости, в нём можно установить манометр.

Главные достоинства

  • Наличие своих опорных лап облегчает и ускоряет профилактическое и ремонтное обслуживание оборудования. Насос можно разбирать, не отсоединяя трубопроводы.
  • Возможность поставки с различными диаметрами ротора позволяет в максимальной степени адаптировать насос СМ 150-125-400а/4 к реальным условиям использования.
  • Исполнение с торцевым уплотнением с приводом от взрывозащищённого двигателя предоставляет возможность использовать агрегат в производствах с опасностью возникновения взрывов и воспламенения в помещении.

Расшифровка кодировки насосов СМ 150-125-400а/4

  • Первые две буквы – тип (сточно-массный) насоса.
  • Первые 3 числа – диаметры (в мм) входного и нагнетательного патрубков и условный рабочего колеса. К последнему может быть добавлен индекс обточки: «а» или «б».
  • 2 – индекс скорости вращения: 2 – 48,4 оборотов в секунду (2900 в минуту), 4 – 24,2 (1450), 6 – 16,0 (960).

Кроме указанных параметров в полном обозначении присутствуют:

  • обозначение торцового уплотнения (литера Е);
  • климатическое исполнение с категорией размещения;
  • номер технических условий изготовления изделия.

СМ 150-125-400а/4 УХЛ3.1 ТУ 26-06-1672-95 – сточно-массный насос с диаметрами входного отверстия 150 мм, выходного – 125 мм, рабочего колеса (исходным) – 400 мм со второй обточкой; с торцевым уплотнением, со скоростью вращения ротора 1450 обор/мин, предназначенный для работы в холодном и умеренном климате с возможностью установки в нерегулярно отапливаемых помещениях, соответствующий техническим условиям №26-06-1672-95.

Характеристики насоса СМ 150-125-400а/4
 

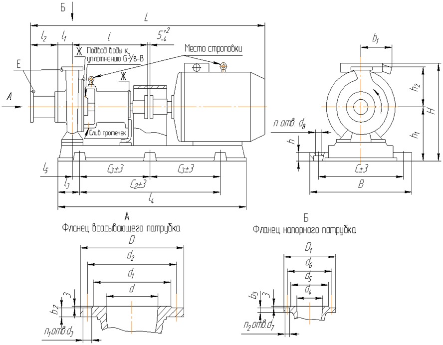
Габаритные размеры насосного агрегата СМ 150-125-400а/4

Габаритные размеры насосного агрегата СМ 150-125-400а/4
 
Типоразмер насосаДвигательРазмеры, мм
типо- размермощ-ностьВb1b2b3CC2C3Hhh1h2Lll1l2l3l4l5
СМ150-125-400а/4 4АМ200L4 45 765 [578] - 28 26 670 [515] - 550 770 [825] 70 [17] 435 [495] 400 1900 670 140 255 150 [120] 1490 [1420] 10 [5]
Типоразмер насосаДвигательDD1dd1d2d3d4d5d6d7d8nn1n2Масса
агрегата, кг
типоразмермощность
СМ150-125-400а/4 4АМИ200L4 45 285 245 150 212 240 22 125 184 210 18 33 6 8 8 820 [730]

Примечания:
1. Размеры и массы, заключённые в круглые скобки, указаны для агрегатов с плитой из профиля.
2. Размеры и массы, заключённые в квадратные скобки, указаны для агрегатов на сварной раме.

 

Список комментариев:
Никаких комментариев пока не отправлено.
Рейтинг:

Оставьте отзыв о товаре:

Логин:

Другие модели из категории

Цена по запросу Насос СМ 100-65-200а/2
Цена по запросу Насос СМ 100-65-200б/4
Цена по запросу Насос СМ 150-125-400б/4
Наверх