Заявка пуста

Обратная связь

Ваше сообщение успешно отправлено. Спасибо.

Насос СМ 200-150-400/6

sm-200-150-400-6
Цена по запросу

+

Характеристики

1000 об/мин
30 кВт
250 м³/ч
22 м

Насосы СМ 200-150-400/6 и базирующиеся на них агрегаты предназначаются для перекачки канализационных стоков, в том числе фекальных. Они применимы также для других химически нейтральных жидкостей (рН = 6-8,5). Допускается наличие в рабочей среде нефтепродуктов при их концентрации не выше 2%.

Полный список агрегатов смотрите на странице Насосы СМ

Другие предельные параметры рабочей среды:

  • плотности – 1050 кг/м³;
  • температуры –+80°С;
  • концентрации содержащихся в жидкости веществ:
    • твёрдых частиц с абразивностью – 1% (массовый);
    • газа – 5%;
    • нерастворимых примесей – 2%.

Эксплуатационные условия

  • Климатические – УХЛ и Т (категории размещения 3.1 и 2).
  • Предельный уровень сейсмичности региона – 7-балльный (по шкале MSK-64).
  • Взрыво- и пожароопасность помещений: для насосов модели СМ 200-150-400/6 с двигателями обычными – не допускается, со взрывозащищёнными (при наличии в насосной части торцевого уплотнения) – зоны 1 и 2 по ГОСТу Р51330.9-99.

Экспортное исполнение соответствует ГОСТу 26-06-2011-79.

Устройство

Насосы относятся по конструкции к центробежному, консольному, горизонтальному типу. Вал уплотняется при помощи сальника или торцевым образом.

Корпус насосного устройства СМ 200-150-400/6 отливается из чугуна. В отливке имеются отводящая полость спирально-кольцевой формы, входное отверстие, выходной патрубок и лапы для опоры. Входное отверстие располагается соосно с ротором. Направленный вверх по вертикали круглый либо квадратный в сечении нагнетательный патрубок находится с осью рабочего колеса в одной плоскости.

Корпус насоса соединён с корпусом уплотнения кронштейном, в котором установлена пара подшипников, служащих опорой для ротора.

В насосах с уплотнителем сальниковым требуется подача к нему технически чистой воды. Она выполняет одновременно две функции – гидрозатвора и охладителя. Давление воды должно превышать входное в перекачиваемой жидкости минимум на 1–1,5 кгс/см² (в МПа – 0,1–0,15). Для уплотнения торцевого гидрозатвор не нужен.

Центробежный ротор моделей СМ 200-150-400/6 – закрытого типа, рассчитанные на одностороннюю подачу жидкости. Для разгрузки от сил, действующих по оси, на его диске расположены радиальные лопатки (импеллер).

Электродвигатель приводит во вращение рабочее колесо насоса через муфту. Ротор – левовращающийся.

В выходном патрубке предусмотрено отверстие. Через него выводится воздух из рабочей полости наружу, когда она заполняется жидкостью при пуске. Затем, в случае необходимости, в нём можно установить манометр.

Главные достоинства

  • Наличие своих опорных лап облегчает и ускоряет профилактическое и ремонтное обслуживание оборудования. Насос можно разбирать, не отсоединяя трубопроводы.
  • Возможность поставки с различными диаметрами ротора позволяет в максимальной степени адаптировать насос СМ 200-150-400/6 к реальным условиям использования.
  • Исполнение с торцевым уплотнением с приводом от взрывозащищённого двигателя предоставляет возможность использовать агрегат в производствах с опасностью возникновения взрывов и воспламенения в помещении.

Расшифровка кодировки насосов СМ 200-150-400/6

  • Первые две буквы – тип (сточно-массный) насоса.
  • Первые 3 числа – диаметры (в мм) входного и нагнетательного патрубков и условный рабочего колеса. К последнему может быть добавлен индекс обточки: «а» или «б».
  • 2 – индекс скорости вращения: 2 – 48,4 оборотов в секунду (2900 в минуту), 4 – 24,2 (1450), 6 – 16,0 (960).

Кроме указанных параметров в полном обозначении присутствуют:

  • обозначение торцового уплотнения (литера Е);
  • климатическое исполнение с категорией размещения;
  • номер технических условий изготовления изделия.

СМ 200-150-400/6 УХЛ3.1 ТУ 26-06-1672-95 – сточно-массный насос с диаметрами входного отверстия 200 мм, выходного – 150 мм, рабочего колеса (исходным) – 400 мм со второй обточкой; с торцевым уплотнением, со скоростью вращения ротора 960 обор/мин, предназначенный для работы в холодном и умеренном климате с возможностью установки в нерегулярно отапливаемых помещениях, соответствующий техническим условиям №26-06-1672-95.

Типоразмер насосаВеличина для патрубка
ВсасывающийНагнетательный
FxFyFzMxMyMzFxFyFzMxMyMz
НН∙мНН∙м
СМ 200-150-400/6 1540 730 1190 560
Примечание: Ось X–вдоль оси насоса, ось Y–параллельно фланцу всасывающего патрубка, ось Z–вертикально вверх.
Характеристики насоса СМ 200-150-400/6
 

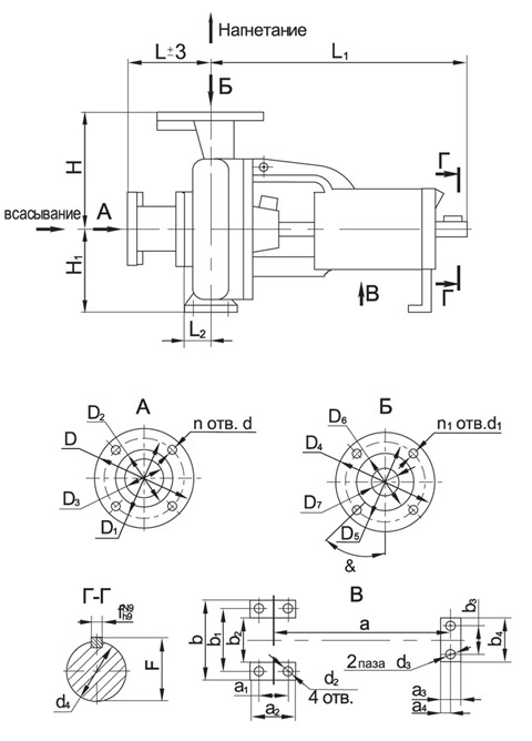
Габаритные размеры насоса СМ 200-150-400/6

Габаритные размеры насоса СМ 200-150-400/6
 
размеры в мм
услов.
проход
всасыв.
патрубка
D3
услов.
проход
напор.
патрубка
D7
условный диаметр
рабочего колеса
LL1L2HH1DD1D2D4D5D6dnd1n1
основноеаб
200 150 410 380 350 310 765 160 450 315 335 295 268 280 240 212 22 8 M20-7H 8  
размеры в мммасса,
кг. с патрубком
масса,
кг. без патрубка
aa1a2a3a4bb1b2b3b4d2d3d4fF&
500 150 200 80 40 500 400 300 140 200 24 18.5 48h7 14 54 22°30´ 320 290

Габаритные размеры насосного агрегата СМ 200-150-400/6

Габаритные размеры насосного агрегата СМ 200-150-400/6
 
марка
двигателя
мощность
двиг., кВт
частота вращ.
(синх.) с-1
(об/мин)
размеры в мммасса,
кг
a (a1)LL1L2L3L4L5BB1B2Hhnd
5A200L6 30 16.3 (960) 313(160) 1900 1550 1100 230 550 1722 660 400 448 970 475 6 33 705
Список комментариев:
Никаких комментариев пока не отправлено.
Рейтинг:

Оставьте отзыв о товаре:

Логин:

Другие модели из категории

Цена по запросу Насос СМ 150-125-400б/4
Цена по запросу Насос СМ 150-125-315/4
Цена по запросу Насос СМ 200-150-315а/6
Наверх