Заявка пуста

Обратная связь

Ваше сообщение успешно отправлено. Спасибо.

Насос ГНОМ 25-20Тр

Фотография насоса ГНОМ 25-20Тр
5 5 1 Product
Цена по запросу

+

Описание

Электронасосы центробежные погружные типа Гном предназначены для откачивания загрязненных вод температурой до 35 ºС, исполнение Тр – до 60 ºС плотностью до 1100 кг/м3, при содержании твердых механических примесей до 10 % по массе с плотностью твердых частиц не более 2500 кг/м3 и максимальным размером до 5 мм.

Корпусные детали и рабочие колеса электронасосов серии Гном выполнены из чугуна; корпусные детали электронасосов серии Гном выполнены из высокопрочной пластмассы, рабочие колеса – из чугуна.

Электронасосы выпускаются в однофазном исполнении на напряжение 220 В и в трехфазном исполнении на напряжение 380 В частотой 50 Гц.

Электронасосы не предназначены для эксплуатации во взрыво и пожароопасных помещениях.

Климатическое исполнение У* ГОСТ 15150-69.

Режим работы продолжительный.

Расшифровка обозначений

Условное обозначение электронасоса ГНОМ 25-20Тр:

  • ГНОМ – торговое наименование;
  • 25 – номинальная подача;
  • 20 – номинальный напор;
  • Тр – температура перекачивающей жидкости до 60 ºС.

Основные технические характеристики электронасосов на номинальном режиме работы

Типоразмер насоса Параметры энергопитания Ток, А Номинальная мощность электродвигателя, кВт Подача м³/ч Синхронная частота вращения, с-1 (об/мин) Напор, м КПД, %, не менее Масса, кг, без шнура питания
ГНОМ 25-20Тр 3~380В, 50 Гц 6,1 3,0 25 50 (3000) 20 46 31,8

Примечания:

1. Допустимое отклонение напора минус 10%, ток +15%, КПД минус 3%, отклонение напряжения сети питания +10% минус 5% и частоты тока ±2%.

2. КПД указан для оптимальной точки, находящейся в рабочем интервале характеристики.

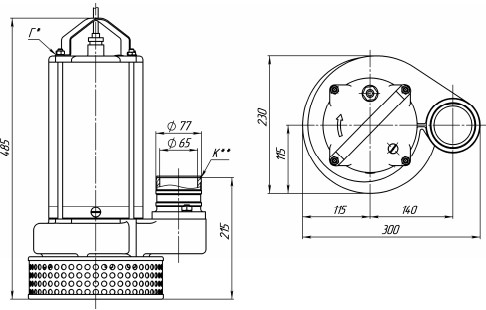
Габаритные и присоединительные размеры электронасоса

Габаритные и присоединительные размеры электронасоса

Характеристики насоса

Характеристики насосов

Устройство электронасоса

Устройство электронасоса
Список комментариев:
Никаких комментариев пока не отправлено.
Рейтинг:

Оставьте отзыв о товаре:

Логин:

Другие модели из категории

Цена по запросу Насос ГНОМ 16-16, 220В
Цена по запросу Насос ГНОМ 10-10, 380В
Цена по запросу Насос 1ГНОМ 10-10, 380В
Наверх