Заявка пуста

Обратная связь

Ваше сообщение успешно отправлено. Спасибо.

Насос ГНОМ 50-25

5 5 1 Product
Цена по запросу

+

Описание

Электронасосы центробежные погружные типа Гном предназначены для откачивания загрязненных вод температурой до 35 ºС, (существует насос гном в исполнение Тр – до 60 ºС) плотностью до 1100 кг/м3, при содержании твердых механических примесей до 10 % по массе с плотностью твердых частиц не более 2500 кг/м3 и максимальным размером до 5 мм.

Корпусные детали и рабочие колеса электронасосов серии Гном выполнены из чугуна; корпусные детали электронасосов серии Гном выполнены из высокопрочной пластмассы, рабочие колеса – из чугуна.

Электронасосы выпускаются в однофазном исполнении на напряжение 220 В и в трехфазном исполнении на напряжение 380 В частотой 50 Гц.

Электронасосы не предназначены для эксплуатации во взрыво и пожароопасных помещениях.

Климатическое исполнение У* ГОСТ 15150-69.

Режим работы продолжительный.

Расшифровка обозначений

Условное обозначение электронасоса ГНОМ 50-25:

  • ГНОМ – торговое наименование
  • 50 – номинальная подача;
  • 25 – номинальный напор.

Основные технические характеристики электронасосов на номинальном режиме работы

Типоразмер насосаПараметры энергопитанияТок, АНоминальная мощность электродвигателя, кВтПодача м3/ч (л/с)Синхронная частота вращения, с-1 (об/мин)Напор, мКПД, %, не менееМасса, кг, без шнура питания
ГНОМ 50-25 3~380В, 50 Гц 16,0 7,5 50 50 (3000) 25 50 72

Примечания:

1. Допустимое отклонение напора минус 10%, ток +15%, КПД минус 3%, отклонение напряжения сети питания +10% минус 5% и частоты тока ±2%.

2. КПД указан для оптимальной точки, находящейся в рабочем интервале характеристики.

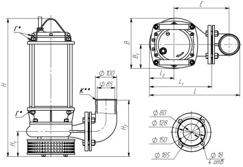
Габаритные и присоединительные размеры электронасоса

Габаритные и присоединительные размеры электронасоса
Типоразмер электронасосаHH1H2LL1L2BB1E
ГНОМ 50-25 665 120 270 430 300 120 240 115 265

* Гарантийное пломбирование

** Консервационное пломбирование

Характеристики насоса

Характеристики насосов

Устройство электронасоса

Устройство электронасоса
Список комментариев:
Никаких комментариев пока не отправлено.
Рейтинг:

Оставьте отзыв о товаре:

Логин:

Другие модели из категории

Цена по запросу Насос ГНОМ 150-30
Цена по запросу Насос ГНОМ 16-16Д, 220В
Цена по запросу Насос ГНОМ 600-10
Наверх