Заявка пуста

Обратная связь

Ваше сообщение успешно отправлено. Спасибо.

Насос 1К 20/30б

Консольный насос 1К 20/30б
4 5 3 Product
Цена по запросу

+

Характеристики

15 м³/ч
22 м
3,8 м
3000 об/мин
2,2 кВт
466x275x270 мм*
30,5 кг*
-
-

Насосы 1К 20/30б являются изделиями с центробежным принципом действия, с горизонтальным расположением, с консолью на валу, уплотняемым сальником или механическими уплотнителями на торце.

Другие модели консольных насосов смотрите на странице Насосы К

Технические данные насоса 1К 20/30б

  • Конструкция – центробежная.
  • Исполнение – консольное.
  • Рабочая среда – вода техническая (исключая морской тип) и жидкости с:
    • механическими свойствами (по плотности, вязкости) – близкими к воде;
    • пределами рН – от 6 до 9;
    • твёрдыми частицами меньше 0,2 мм в поперечнике при массовом содержании не выше 1%;
    • температурой от 263 до 358К (от -10 до +85°С).
  • Вид насоса в агрегате 1К 20/30б по назначению – I (восстанавливаемый).
  • Исполнения по климату – У3.1 и Т2.
  • Пригодность для работы в помещениях с опасностью возникновения взрыва (зоны 1 и 2) или пожара – варианты насосов 1К 20/30б с уплотнением вала по торцу и с взрывозащищённым электродвигателем.
  • Экспортная поставка – возможна (ОСТ26-06-2011-79).

Устройство

Корпус отливается из чугуна. Наружу выходят 2 патрубка. По входному, располагающемуся по оси вращения рабочего колеса, в насос засасывается перекачиваемая жидкость. Она колесом отбрасывается к периферии рабочей полости и вытесняется в отвод спирально-кольцевого профиля. Оттуда она выходит из корпуса насоса 1К 20/30б по идущему вертикально вверх нагнетательному патрубку. Этот патрубок находится в той же плоскости, что и ось вращения вала. Для крепления агрегата к монтажному основанию в корпусе предусмотрены лапы.

Центробежное колесо насоса 1К 20/30б выполнено по закрытому типу с односторонним входом жидкости вдоль оси. Действующие по оси силы ослабляются при помощи следующих решений. На колёсах в диапазоне условных диаметров от 200 до 315 мм эту функцию выполняют выполненные на основном диске разгрузочные отверстия, с 160 мм – импеллером, выполненном там же.

Уплотнение находится в своём корпусе, который прикреплён к корпусу насоса 1К 20/30б посредством кронштейна. Соединяется кронштейн с первым при помощи винтов, со вторым – фланца. Уплотнение охлаждается жидкостью непосредственно перекачиваемой (если её температура не превышает 60°С), либо от стороннего источника (если превышает). Охладитель подаётся к уплотнителю через соответствующие отверстия в его корпусе.

Ротор насоса 1К 20/30б – правовращающийся.

Кодировка

В условном обозначении насоса 1К 20/30б:

  • первая цифра означает, что конструкция первой модернизации;
  • буква «К» – консольный тип конструкции;
  • 20 – подача, м³/ч;
  • 30 – напор, м;
  • б - уменьшенный диаметр.
Типоразмер насосаВеличина для патрубка
ВсасывающийНагнетательный
FxFyFzMxMyMzFxFyFzMxMyMz
НН∙мНН∙м
1К 20/30б 700 310 490 210
Примечание: Ось X – вдоль оси насоса, ось Y – параллельно фланцу всасывающего патрубка, ось Z – вертикально вверх.
Типоразмер насосаВеличина для патрубка Ру, МПа (кгс/см²)
ВсасывающийНагнетательный
1К 20/30б 0,6(6,0) 0,6 (6,0)
Наименование показателяЗначение показателя
Средняя наработка до отказа, ч
Средний ресурс до капитального ремонта, ч
Среднее время до восстановления, ч
Назначенный срок службы, лет
Коэффициент готовности
Срок сохраняемости, лет
6000
32000
8
6
0,998
2

Основные технические характеристики насоса 1К 20/30б

Типоразмер насосаПараметрыПараметрыМасса
насоса
Q, м³/чH, мДКЗ, мМощность, кВтОбороты, об/минкг
1К 20/30б 15 22 3,8 2,2 3000 30,5

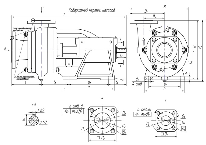
Габаритные размеры насоса 1К 20/30б

Габаритные размеры насоса 1К 20/30б
 
НасосLl1l2aа1bb1BB1B2hh1fHH1H2
1К 20/30б 466 120 115 195 140 160 130 275 163 98 15 28 8 270 120  
Насосdd1d2nn1DD0D1D2D3D4D5D6D7D8масса
1К 20/30б 25 14 14 4 4 160 65 130 100 40 80 100 130 100 125 30,5

Габаритные размеры насосного агрегата 1К 20/30б

Габаритные размеры насосного агрегата 1К 20/30б
 
Типоразмер агрегатаМощность, кВтLL1ll1l2AA1A2BB1B3B4Hhh1h2
1К 20/30б 2,2 815 525 120 185 109 240 240 336 275 270 98 163 310 185 150 65
Характеристики насоса 1К 20/30б

 

Список комментариев:
Никаких комментариев пока не отправлено.
Рейтинг:

Оставьте отзыв о товаре:

Логин:

Другие модели из категории

Цена по запросу Насос К50-32-125а
Цена по запросу Насос 1К80-65-160
Цена по запросу Насос 1К20-32-125м
Наверх