Заявка пуста

Обратная связь

Ваше сообщение успешно отправлено. Спасибо.

Насос 1К100-65-200а

Консольный насос 1К100-65-200а
5 5 1 Product
Цена по запросу

+

Характеристики

90 м³/ч
45 м
4,5 м
3000 об/мин
22 кВт
1235x365x590 мм*
272 кг*
100 мм
65 мм

Насосы 1К100-65-200а являются изделиями с центробежным принципом действия, с горизонтальным расположением, с консолью на валу, уплотняемым сальником или механическими уплотнителями на торце.

Другие модели консольных насосов смотрите на странице Насосы К

Технические данные насоса 1К100-65-200а

  • Конструкция – центробежная.
  • Исполнение – консольное.
  • Рабочая среда – вода техническая (исключая морской тип) и жидкости с:
    • механическими свойствами (по плотности, вязкости) – близкими к воде;
    • пределами рН – от 6 до 9;
    • твёрдыми частицами меньше 0,2 мм в поперечнике при массовом содержании не выше 1%;
    • температурой от 263 до 378К (от -10 до +105˚С).
  • Вид насоса в агрегате 1К100-65-200а по назначению – I (восстанавливаемый).
  • Исполнения по климату – У3.1 и Т2.
  • Пригодность для работы в помещениях с опасностью возникновения взрыва (зоны 1 и 2) или пожара – варианты насосов 1К100-65-200а с уплотнением вала по торцу и с взрывозащищённым электродвигателем.
  • Экспортная поставка – возможна (ОСТ26-06-2011-79).

Устройство

Корпус отливается из чугуна. Наружу выходят 2 патрубка. По входному, располагающемуся по оси вращения рабочего колеса, в насос засасывается перекачиваемая жидкость. Она колесом отбрасывается к периферии рабочей полости и вытесняется в отвод спирально-кольцевого профиля. Оттуда она выходит из корпуса насоса 1К100-65-200а по идущему вертикально вверх нагнетательному патрубку. Этот патрубок находится в той же плоскости, что и ось вращения вала. Для крепления агрегата к монтажному основанию в корпусе предусмотрены лапы.

Центробежное колесо насоса 1К100-65-200а выполнено по закрытому типу с односторонним входом жидкости вдоль оси. Действующие по оси силы ослабляются при помощи следующих решений. На колёсах в диапазоне условных диаметров от 200 до 315 мм эту функцию выполняют выполненные на основном диске разгрузочные отверстия, с 160 мм – импеллером, выполненном там же.

Уплотнение находится в своём корпусе, который прикреплён к корпусу насоса 1К100-65-200а посредством кронштейна. Соединяется кронштейн с первым при помощи винтов, со вторым – фланца. Уплотнение охлаждается жидкостью непосредственно перекачиваемой (если её температура не превышает 60˚С), либо от стороннего источника (если превышает). Охладитель подаётся к уплотнителю через соответствующие отверстия в его корпусе.

Ротор насоса 1К100-65-200а – правовращающийся.

Кодировка

В условном обозначении насоса 1К100-65-200а:

  • первая цифра означает, что конструкция первой модернизации;
  • буква «К» – консольный тип конструкции;
  • 100 и 65 – диаметры патрубков в мм (входного и выходного, соответственно);
  • 200 – условный диаметр рабочего колеса в мм
  • а - обточка рабочего колеса - первая.
Типоразмер насосаВеличина для патрубка
ВсасывающийНагнетательный
FxFyFzMxMyMzFxFyFzMxMyMz
НН∙мНН∙м
1К100-65-200а 840 380 700 310
Примечание: Ось X – вдоль оси насоса, ось Y – параллельно фланцу всасывающего патрубка, ось Z – вертикально вверх.
Типоразмер насосаВеличина для патрубка Ру, МПа (кгс/см²)
ВсасывающийНагнетательный
1К100-65-200а 0,6(6) 1,6 (16)
Наименование показателяЗначение показателя
Средняя наработка до отказа, ч
Средний ресурс до капитального ремонта, ч
Среднее время до восстановления, ч
Назначенный срок службы, лет
Коэффициент готовности
Срок сохраняемости, лет
6000
32000
8
6
0,998
2

Основные технические характеристики насоса 1К100-65-200а

Типоразмер насосаПараметрыПараметрыМасса
насоса
Q, м³/чH, мДКЗ, мМощность, кВтОбороты, об/минкг
1К100-65-200а 90 45 4,5 22 3000 78

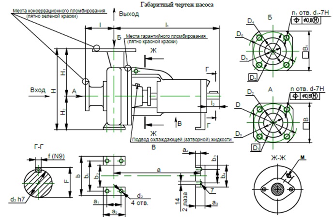
Габаритные размеры насоса 1К100-65-200а

Габаритные размеры насоса 1К100-65-200а
 
Обозначениеll1l2aа1a2bb1b2b3b4BB1М
1К100-65-200а 100 500 80 370 95 125 320 250 190 110 145 155 150 М12Х1,5

Габаритные размеры насосного агрегата 1К100-65-200а

Габаритные размеры насосного агрегата 1К100-65-200а
 
ТипоразмерМакс
пода-
ча
Размеры, мм
Электро-
двигатели
Мощ-
ность,
кВт
LL1ll1l2АА1А2А3НН1ВВ1В2Масса,
кг
1К100-65-200м-с
1К100-65-200м-т
140 АИР180М2
А180М2
ВА180М2
30 1285
1310
1335
1095 100 120 100 840±
1,1
240±
1,1
420±
1,1
420±
1,1
590
575
670
330 365
345
380
335 195
175
305
322
312
363
1К100-65-200-с
1К100-65-200-т
135 АИР180М2
А180М2
ВА180М2
30 1285
1310
1335
590
575
670
365
345
380
195
175
305
322
312
363
110 АИР180S2
А180S2
ВА180S2
22 1235
1250
1250
590
575
640
365
345
400
195
175
305
302
289
342
1К100-65-200а-с
1К100-65-200а-т
125 АИР180S2
А180S2
ВА180S2
22 1235
1250
1250
590
575
640
365
345
400
195
175
305
302
289
342
100 5А160М2
АИР160М2
ВА160М2
18,5 1305
1210
1345
555
555
640
310 365
345
345
195
175
260
280
273
322
1К100-65-200б-с
1К100-65-200б-т
120 5А160М2
АИР160М2
ВА160М2
18,5 1305
1210
1345
555
555
640
365
345
345
195
175
260
280
273
322

Характеристики насоса 1К100-65-200а

 

Список комментариев:
Никаких комментариев пока не отправлено.
Рейтинг:

Оставьте отзыв о товаре:

Логин:

Другие модели из категории

Цена по запросу Насос 1К80-50-200б
Цена по запросу Насос К200-150-400
Цена по запросу Насос К80-50-200а
Наверх