Заявка пуста

Обратная связь

Ваше сообщение успешно отправлено. Спасибо.

Насос 1К65-50-160

Консольный насос 1К65-50-160
5 5 1 Product
Цена по запросу

+

Характеристики

25 м³/ч
32 м
3,8 м
3000 об/мин
5,5 кВт
892x365x352 мм*
95 кг*
65 мм
50 мм

Насос серии 1К65-50-160 относится к категории центробежных агрегатов, используемых для перекачки чистой и загрязненной воды, содержащей твердые частицы не более 0,2 мм в диаметре. С точки зрения компоновки элементов изделие является консольным. Электромотор и корпус расположены горизонтально и установлены на единой платформе. Что позволяет облегчить перевозку, монтаж и обслуживание агрегата.

Назначение и сфера применения

На нашем сайте можно купить насос 1К65-50-160 по цене производителя — завода Взлет. Агрегат применим для широкого круга задач по перекачке технической воды. Исключение составляет морская, так как обладает повышенной агрессивностью и может вызвать ускоренный износ деталей изделия. Возможна перекачка нейтральных жидких сред с pH 6-8, сравнимых с водой по вязкости. В том числе — нагретых до +85°C.

Расшифровка обозначений в названии модели 1К65-50-160:

  • 1К — указывает на примененный производителем консольный способ компоновки элементов изделия. Цифра 1 соответствует первому варианту модернизации. Не несет информации о размерах и технических параметрах модели.
  • буква «К» – консольный тип конструкции;
  • 65-60 — позволяет определить по маркировке модели диаметры входного и выходного патрубков соответственно. В данном случае — 65 и 60 мм.
  • 160 — определяет размер рабочего колеса.

Используя приведенные выше указания по расшифровке названия модели, можно подобрать подходящую модификацию насосов серии К.

Конструктивные особенности насоса 1К65-50-160

Корпус насоса 1К65-50-160 выполнен из долговечного и прочного чугуна. Для подключения к системе предусмотрено два патрубка: входной и выходной. Первый расположен на оси вращения крыльчатки. За счет образования разрежения вода всасывается в корпус. Затем отбрасывается рабочим колесом с особой формой лопаток к краю. В образовавшейся зоне повышенного давления размещен выходной патрубок. В данной модели он расположен вертикально.

Оба патрубка снабжены кронштейнами для фланцевого крепления. Что облегчает врезку в трубопровод. Корпус агрегата также имеет крепежные элементы. Они позволяют монтировать его на платформу с помощью болтов. Что удобно для обслуживания оборудования и облегчает его монтаж на объекте.

Уплотнение располагается в собственном кожухе, прикрепленном к корпусу насоса 1К65-50-160. Для этого используется специальный кронштейн. Применяется болтовое и фланцевое крепления. Охлаждение уплотнителя выполняется за счет перекачиваемой жидкой среды. Дополнительные приспособления не требуются при работе с жидкостями, нагретыми не более 60 °C. Для подачи охладителя предусмотрены отдельные отверстия в корпусе.

Технические характеристики

Типоразмер насосаВеличина для патрубка
ВсасывающийНагнетательный
FxFyFzMxMyMzFxFyFzMxMyMz
НН∙мНН∙м
1К65-50-160 700 310 490 210
Примечание: Ось X – вдоль оси насоса, ось Y – параллельно фланцу всасывающего патрубка, ось Z – вертикально вверх.
Типоразмер насосаВеличина для патрубка Ру, МПа (кгс/см²)
ВсасывающийНагнетательный
1К65-50-160 1,6(16) 1,6 (16)
Наименование показателяЗначение показателя
Средняя наработка до отказа, ч
Средний ресурс до капитального ремонта, ч
Среднее время до восстановления, ч
Назначенный срок службы, лет
Коэффициент готовности
Срок сохраняемости, лет
6000
32000
8
6
0,998
2

Основные технические характеристики насоса 1К65-50-160

Типоразмер насосаПараметрыПараметрыМасса
насоса
Q, м³/чH, мДКЗ, мМощность, кВтОбороты, об/минкг
1К65-50-160 25 32 3,8 5,5 3000 50

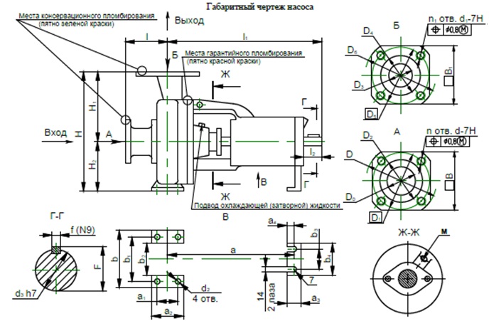
Габаритные размеры насоса 1К65-50-160

Габаритные размеры насоса 1К65-50-160
 
Обозначениеll1l2aа1a2bb1b2b3b4BB1М
1К65-50-160 80 385 50 275 70 100 240 190 140 110 145 - 125 М12Х1,5

Габаритные размеры насосного агрегата 1К65-50-160

Габаритные размеры насосного агрегата 1К65-50-160
ТипоразмерМах
подача
Размеры,
мм
Масса,
кг
Электро-
двигатели
Мощ-
ность,
кВт
LL1ll1l2АА1А2А3НН1ВВ1В2
1К65-50-160-c
1К65-50-160-т
32 АИР100L2
АИМ100L2
5,5 892
920
775 80 140 122 480±1,1 320±1,1 - - 352 192 226 365 113 95
130
1К65-50-160а-c
1К65-50-160а-т
28 АИР100S2
АИМ100S2
4.0 862
902
89
130
1К65-50-160б-c
1К65-50-160б-т
24 АИР100S2
АИМ100S2
4.0 862
902
89
130
Характеристики насоса 1К65-50-160

 

Список комментариев:
Никаких комментариев пока не отправлено.
Рейтинг:

Оставьте отзыв о товаре:

Логин:

Другие модели из категории

Цена по запросу Насос К65-50-125а
Цена по запросу Насос 1К100-80-160
Цена по запросу Насос К 160/30б
Наверх