Заявка пуста

Обратная связь

Ваше сообщение успешно отправлено. Спасибо.

Самовсасывающий насос НС2 250/375.375-30/6-400

Фото самовсасывающего насоса НС2 250/375.375-30/6-400
Цена по запросу

+

Характеристики

30
1281

Габаритные размеры

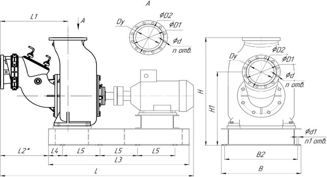
Габаритные размеры насоса НС2 250/375
L1L2L3L4L5B2d1 x n1Н1D1D2d x nLBH
721 515 1500 150 400 780 18 х 8 872 250 355 405 26х12 2100 850 1280

Рабочая характеристика насосов НС2 250/375.375

Рабочая характеристика насосов НС2 250/375

Основные параметры

Габариты L×B×HВесОборотыН всас
2100 × 850 × 1280 мм 1281 кг 950 об/мин 5,2 м

Рабочие характеристики

Q, (м³/ч)200300400450500550600650700750
Н, (м) 16,0 15,0 13,0 11,5 10,0 - - - - -
Список комментариев:
Никаких комментариев пока не отправлено.
Рейтинг:

Оставьте отзыв о товаре:

Логин:
Наверх