Заявка пуста

Обратная связь

Ваше сообщение успешно отправлено. Спасибо.

Самовсасывающий насос НС2 50/175.175-11/2-400

Фото самовсасывающего насоса НС2 50/175.175-11/2-400
5 5 2 Product
Цена по запросу

+

Характеристики

11
219

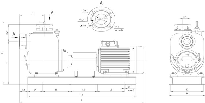
Габаритные размеры

Габаритные размеры насоса НС2 50/175
L1L2L3L4L5B1B2d1 x nН1H2D1D2d x nLBH
233 60 950 150 650 70 450 14 х 4 436 184 50 110 140 14х4 1100 490 670

Рабочая характеристика насосов НС2 50/175.175

Рабочая характеристика насосов НС2 50/175

Основные параметры

Габариты L×B×HВесОборотыН всас
1100 × 490 × 670 мм 219 кг 2900 об/мин 6,5 м

Для проектировщиков

Рабочие характеристики

Q, (м³/ч)1012,51517,5202530354045
Н, (м) - - 35,4 34,5 33,7 32,1 30,4 29,0 27,0 25,3
Список комментариев:
Никаких комментариев пока не отправлено.
Рейтинг:

Оставьте отзыв о товаре:

Логин:
Наверх