Заявка пуста

Обратная связь

Ваше сообщение успешно отправлено. Спасибо.

Насос ЦНС 13-140

13-140
5 5 1 Product
Цена по запросу

+

Характеристики

13 м³
140 м
2950 об/мин
15 кВт
1626х450х621 мм
415 мм

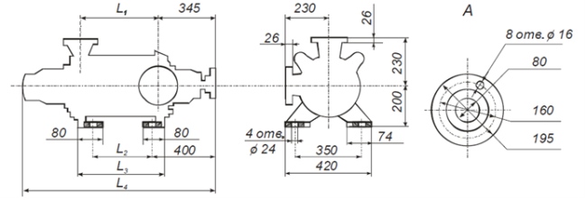
Габаритные размеры насоса

 Габаритные размеры насоса ЦНС 13-140

МаркаL1L2L3L4Масса,кг
ЦНС  13-140 337 227 317 981 229

 

Габаритные размеры агрегата

Габаритные размеры насосного агрегата ЦНС 13-140

Марка  Размеры, ммМасса, кг  
LBH
ЦНСА 13-140 1626 220 621 415

 

Характеристики

Характеристики насоса  ЦНС 13-140

 

 

 

 

Список комментариев:
Никаких комментариев пока не отправлено.
Рейтинг:

Оставьте отзыв о товаре:

Логин:

Другие модели из категории

Цена по запросу Насос ЦНС 180-297
Цена по запросу Насос ЦНС 105-245
Цена по запросу Насос ЦНС 60-50
Наверх