Заявка пуста

Обратная связь

Ваше сообщение успешно отправлено. Спасибо.

Насос ЦНС 13-245

13-245
5 5 1 Product
Цена по запросу

+

Характеристики

13 м³
245 м
2950 об/мин
22 кВт
1839х450х640 мм
549 мм

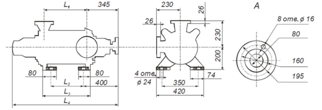
Габаритные размеры насоса

Габаритные размеры насоса ЦНС 13-245

МаркаL1L2L3L4Масса,кг
ЦНС  13-245 550 440 530 1194 292

 

Габаритные размеры агрегата

Габаритные размеры насосного агрегата ЦНС 13-245

Марка  Размеры, ммМасса, кг  
LBH
ЦНСА 13-245 1839 220 640 549

 

Характеристики

Характеристики насоса  ЦНС 13-245

 

 

 

 

 

Список комментариев:
Никаких комментариев пока не отправлено.
Рейтинг:

Оставьте отзыв о товаре:

Логин:

Другие модели из категории

Цена по запросу Насос ЦНС 60-250
Цена по запросу Насос ЦНС 300-120
Цена по запросу Насос ЦНС 105-98
Наверх