Заявка пуста

Обратная связь

Ваше сообщение успешно отправлено. Спасибо.

Насос ЦНС 13-280

13-280
5 5 1 Product
Цена по запросу

+

Характеристики

13 м³
280 м
2950 об/мин
30 кВт
1935х450х640 мм
575 мм

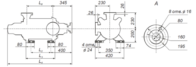
Габаритные размеры насоса

Габаритные размеры насоса ЦНС 13-280

МаркаL1L2L3L4Масса,кг
ЦНС  13-280 621 511 601 1265 313

 Габаритные размеры насосного агрегата ЦНС 13-280

Габаритные размеры агрегата

 

Марка  Размеры, ммМасса, кг  
LBH
ЦНСА 13-280 1935 220 640 575

Характеристики

Характеристики насоса  ЦНС 13-280

 

 

 

 

Список комментариев:
Никаких комментариев пока не отправлено.
Рейтинг:

Оставьте отзыв о товаре:

Логин:

Другие модели из категории

Цена по запросу Насос ЦНС 105-147
Цена по запросу Насос ЦНС 180-383
Цена по запросу Насос ЦНС 60-100
Наверх