Заявка пуста

Обратная связь

Ваше сообщение успешно отправлено. Спасибо.

Насос ЦНС 13-70

13-70_145714148
5 5 1 Product
Цена по запросу

+

Характеристики

13 м³
70 м
2950 об/мин
11 кВт
1387х450х561 мм
335 мм

 

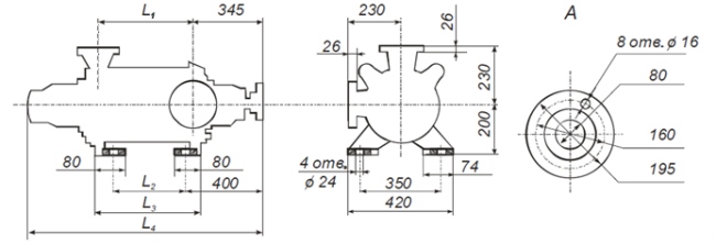
Размеры насоса

Габаритные размеры насоса ЦНС 13-70

МаркаL1L2L3L4Масса,кг
ЦНС  13-70 195 85 175 839 187

 

Размеры агрегата

Габаритные размеры насосного агрегата ЦНС 13-70

Марка  Размеры, ммМасса, кг  
LBH
ЦНСА 13-70 1387 220 561 335

 

Характеристики

Характеристики насоса  ЦНС 13-70

 

Список комментариев:
Никаких комментариев пока не отправлено.
Рейтинг:

Оставьте отзыв о товаре:

Логин:

Другие модели из категории

Цена по запросу Насос ЦНС 105-392
Цена по запросу Насос ЦНС 105-245
Цена по запросу Насос ЦНС 300-120
Наверх