Заявка пуста

Обратная связь

Ваше сообщение успешно отправлено. Спасибо.

Насос ЦНС 38-132

38-132
5 5 1 Product
Цена по запросу

+

Характеристики

38 м³
132 м
2950 об/мин
30 кВт
1793х450х640 мм
521 мм

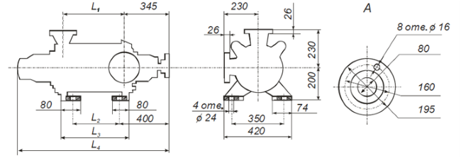
Габаритные размеры насоса

Габаритные размеры насоса ЦНС 38-132

МаркаL1L2L3L4Масса,кг
ЦНС  38-132 479 369 479 1123 259

Габаритные размеры агрегата

Габаритные размеры насосного агрегата ЦНС 38-132

Марка  Размеры, ммМасса, кг  
LBH
ЦНСА 38-132 1793 220 640 521

Характеристики

Характеристики насоса ЦНС 38-132

 

 

Список комментариев:
Никаких комментариев пока не отправлено.
Рейтинг:

Оставьте отзыв о товаре:

Логин:

Другие модели из категории

Цена по запросу Насос ЦНС 13-350
Цена по запросу Насос ЦНС 180-128
Цена по запросу Насос ЦНС 13-105
Наверх