Заявка пуста

Обратная связь

Ваше сообщение успешно отправлено. Спасибо.

Насос ЦНС 38-198

38-198
5 5 1 Product
Цена по запросу

+

Характеристики

38 м³
198 м
2950 об/мин
37 кВт
2059х455х685 мм
648 мм

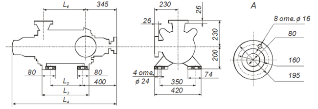
Габаритные размеры насоса

Габаритные размеры насоса ЦНС 38-198

МаркаL1L2L3L4Масса,кг
ЦНС  38-198 692 582 692 1336 321

Габаритные размеры агрегата

Габаритные размеры насосного агрегата ЦНС 38-198

Марка  Размеры, ммМасса, кг  
LBH
ЦНСА 38-198 2059 225 685 648

Характеристики

Характеристики насоса  ЦНС 38-198

 

 

Список комментариев:
Никаких комментариев пока не отправлено.
Рейтинг:

Оставьте отзыв о товаре:

Логин:

Другие модели из категории

Цена по запросу Насос ЦНС 180-340
Цена по запросу Насос ЦНС 105-196
Цена по запросу Насос ЦНС 105-392
Наверх