Заявка пуста

Обратная связь

Ваше сообщение успешно отправлено. Спасибо.

Насос ЦНС 60-264

Цена по запросу

+

Характеристики

60 м³
264 м
2950 об/мин
75 кВт
2270х530х790 мм
1276 мм

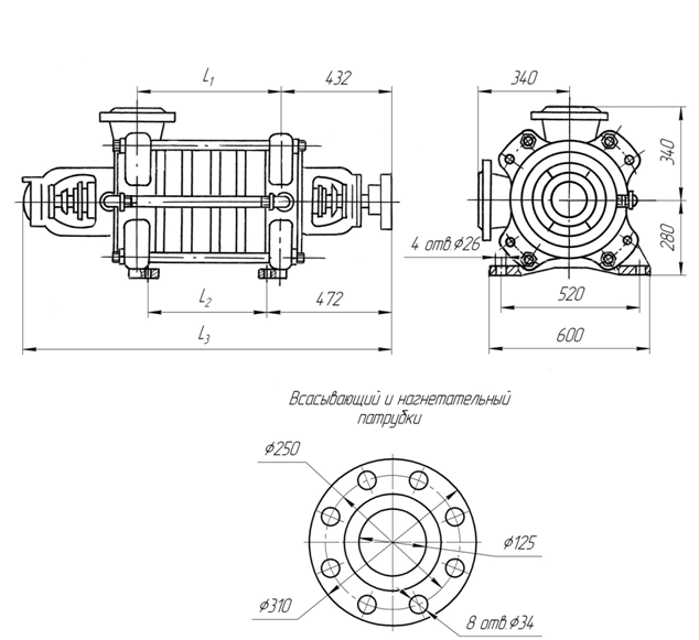
Габаритные размеры насоса

Габаритные размеры насоса ЦНС 60-264

МаркаL1L2L3L4Масса,кг
ЦНС  60-264 700 590 727 1350 356

Габаритные размеры агрегата

Габаритные размеры насосного агрегата ЦНС 60-264

Марка  Размеры, ммМасса, кг  
LBH
ЦНСА 60-264 2270 260 790 1276

Характеристики

Характеристики насоса  ЦНС 60-264

 

 

Список комментариев:
Никаких комментариев пока не отправлено.
Рейтинг:

Оставьте отзыв о товаре:

Логин:

Другие модели из категории

Цена по запросу Насос ЦНС 180-425
Цена по запросу Насос ЦНС 300-420
Цена по запросу Насос ЦНС 180-297
Наверх