Заявка пуста

Обратная связь

Ваше сообщение успешно отправлено. Спасибо.

Насос ЦНСГ 105-147

Цена по запросу

+

Характеристики

105 м³
147 м
2950 об/мин
75 кВт
2093х620х930 мм
1126 мм

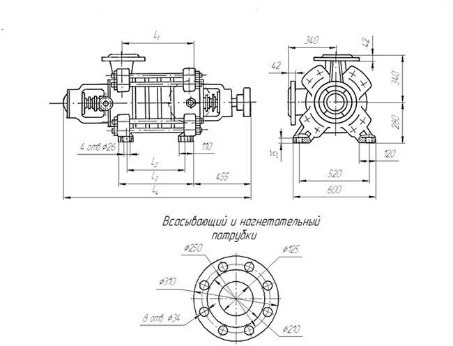
Габаритные размеры насоса

Габаритные размеры насоса ЦНСГ 105-147

МаркаL1L2L3L4Масса,кг
ЦНСГ  105-147 340 260 400 1170 518

Габаритные размеры агрегата

Габаритные размеры насосного агрегата ЦНСГ 105-147

МаркаРазмеры, ммНапряжение, вМасса, кг
LBH
ЦНСГ  105-147 2093 280 920 220/380 1126

Характеристики

Характеристики насоса  ЦНСГ 105-147

 

 

 

 

Список комментариев:
Никаких комментариев пока не отправлено.
Рейтинг:

Оставьте отзыв о товаре:

Логин:

Другие модели из категории

Цена по запросу Насос ЦНСГ 180-255
Цена по запросу Насос ЦНСГ 13-280
Цена по запросу Насос ЦНСГ 60-198
Наверх