Заявка пуста

Обратная связь

Ваше сообщение успешно отправлено. Спасибо.

Насос ЦНСГ 13-105

13-105_645226881
5 5 2 Product
Цена по запросу

+

Характеристики

13 м³
105 м
2950 об/мин
11 кВт
1458х450х561 мм
372 мм

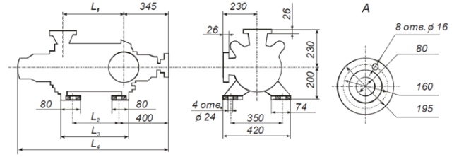
Габаритные размеры насоса

Габаритные размеры насоса ЦНСГ 13-105

МаркаL1L2L3L4Масса,кг
ЦНСГ 13-105 266 156 246 910 208

Габаритные размеры агрегата

Габаритные размеры насосного агрегата ЦНСГ 13-105

Марка  Размеры, ммМасса, кг  
LBH
ЦНСГА 13-105 1458 220 561 372

Характеристики

Характеристики насоса  ЦНСГ 13-105

 

 

 

 

Список комментариев:
Никаких комментариев пока не отправлено.
Рейтинг:

Оставьте отзыв о товаре:

Логин:
Наверх