Заявка пуста

Обратная связь

Ваше сообщение успешно отправлено. Спасибо.

Насос ЦНСГ 13-70

13-70
5 5 2 Product
Цена по запросу

+

Характеристики

13 м³
70 м
2950 об/мин
11 кВт
1387х450х561 мм
335 мм

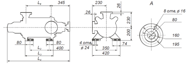
Габаритные размеры насоса

Габаритные размеры насоса ЦНСГ 13-70

МаркаL1L2L3L4Масса,кг
ЦНСГ 13-70 195 85 175 839 187

Размеры агрегата

Габаритные размеры насосного агрегата ЦНСГ 13-70

Марка  Размеры, ммМасса, кг  
LBH
ЦНСГА 13-70 1387 220 561 335

Характеристики

Характеристики насоса  ЦНСГ 13-70

 

Список комментариев:
Никаких комментариев пока не отправлено.
Рейтинг:

Оставьте отзыв о товаре:

Логин:
Наверх