Заявка пуста

Обратная связь

Ваше сообщение успешно отправлено. Спасибо.

Высоконапорный насос НВС-15-9

Фото высоконапорного насоса НВС-15-9
5 5 1 Product
Цена по запросу

+

Характеристики

10
7,5
88
15
98

Рабочая характеристика насоса

Q,(м³/ч) 8 10 12 14 15 16 18 20 22
Н, (м) 110 108 105 100 98 95 87 80 73

КПД насоса

Кавитационный запас

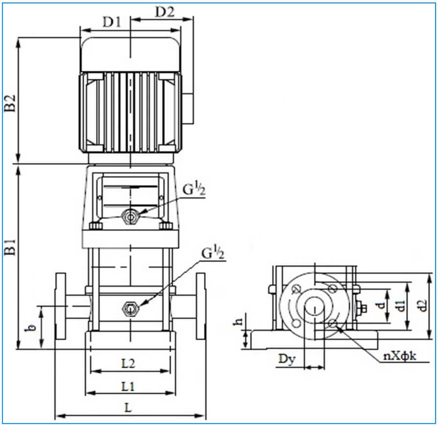
Присоединительные и габариные размеры

 

В1 В2 В1+В2 D1 D2 L L1 L2 b h Dy d d1 d2 n k
742 390 1132 260 208 300 199 130 90 55 50 80 125 165 4 18
Список комментариев:
Никаких комментариев пока не отправлено.
Рейтинг:

Оставьте отзыв о товаре:

Логин:

Другие модели из категории

Аналогичные товары

Наверх