Заявка пуста

Обратная связь

Ваше сообщение успешно отправлено. Спасибо.

Высоконапорный насос НВС 20-1

Насос НВС 20-1 Иртыш
5 5 1 Product
Цена по запросу

+

Характеристики

1,5
1,1
33
20
9

Рабочая характеристика насоса

Q,(м³/ч) 10 12 14 16 18 20 22 24 26 28
Н, (м) 12 12 11 11 10 9 8 7 6 5

КПД насоса

Кавитационный запас

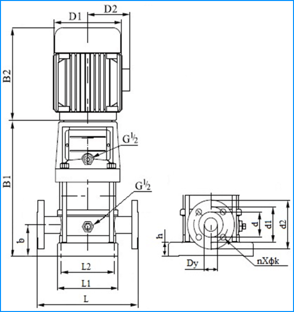
Присоединительные и габариные размеры

В1 В2 В1+В2 D1 D2 L L1 L2 b h Dy d d1 d2 n k
387 245 632 170 142 300 199 130 90 55 50 80 125 165 4 18
Список комментариев:
Никаких комментариев пока не отправлено.
Рейтинг:

Оставьте отзыв о товаре:

Логин:

Другие модели из категории

Аналогичные товары

Наверх