Заявка пуста

Обратная связь

Ваше сообщение успешно отправлено. Спасибо.

Высоконапорный насос НВС 3-2

Насос НВС 3-2 Иртыш
5 5 1 Product
Цена по запросу

+

Характеристики

0,5
0,37
20
3
8

Рабочая характеристика насоса

Q,(м³/ч) 1,2 1,6 2,0 2,4 2,8 3,0 3,2 3,6 4,0
Н, (м) 11 10 9 9 8 8 7 6 5

КПД насоса

 

Кавитационный запас

 

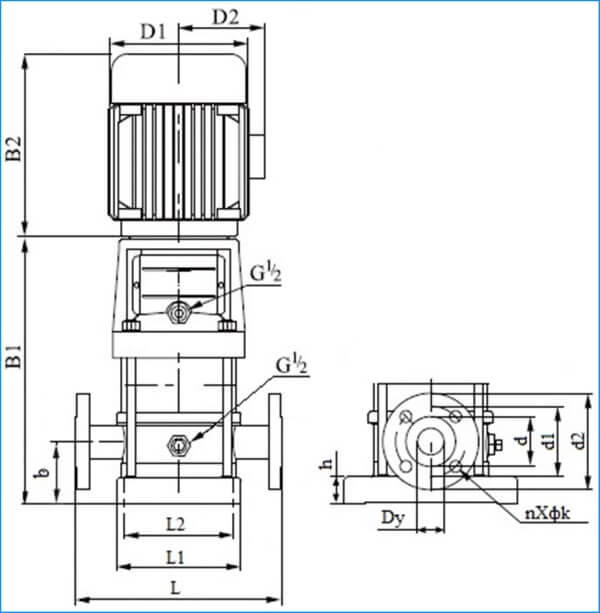
Присоединительные и габаритные размеры

 

В1 В2 В1+В2 D1 D2 L L1 L2 b h Dy d d1 d2 n k
258 210 468 148 117 250 150 100 75 32 25 60 85 115 4 14
Список комментариев:
Никаких комментариев пока не отправлено.
Рейтинг:

Оставьте отзыв о товаре:

Логин:

Другие модели из категории

Аналогичные товары

Наверх