Назначение
Дымососы ДН-6,3 предназначены для отсоса в дымовые трубы продуктов сгорания. Эксплуатация допускается при температуре перемещаемых газов не выше + 200° С. Нормальная работа гарантируется при температуре окружающего воздуха от - 40° С до +40° С, относительной влажности 80 % и высоте над уровнем моря не более 1000м.
Общее описание и сравнительные характеристики смотрите на странице дымососы
Основные технические характеристики
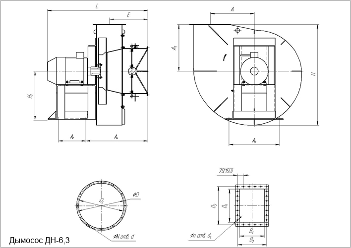
Технические характеристики агрегатов, габаритные, присоединительные и установочные размеры приведены в таблицах 1,2,3 и на рисунке 1.
По направлению вращения рабочего колеса, вентиляторы могут быть изготовлены правого или левого исполнения (правое вращение рабочего колеса по часовой стрелке, левое - против, со стороны электропривода), с различными углами разворота нагнетательного патрубка от 0° до 270° через 15° по ГОСТ 9725-82. Угол отсчитывается от горизонтальной плоскости.
Рисунок 1

Таблица 1
|
№
|
Габаритные размеры, мм
|
|
Lmax
|
В
|
А
|
A1
|
А2
|
А3
|
А4
|
Еmax
|
Hmax
|
H1
|
|
ДН-6,3
|
1016
|
1051
|
410
|
460
|
330
|
610
|
616
|
372
|
967
|
490
|
Таблица 2
| № | Установочные размеры, мм |
| D | D1 | B1 | В2 | В3 | B4 | N | d | n | d1 |
| ДН-6.3 |
453 |
418 |
315 |
355 |
275 |
235 |
8 |
12 |
20 |
14 |
Технические характеристки
Таблица 3
| № | Относительный диаметр рабочего колеса |
Ny, кВт.
|
Частота вращения вала n, мин.-1
| Производительность Q, 10³ м³/ч | Давление полное Pv, Па | Частота тока, Гц | Напряжение, В | Масса без двигателя не более, кг |
| ДН-б,3 |
1 |
5,5 |
1500 |
4,06 |
900 |
50 |
220/380 |
450 |
Аэродинамическая характеристика
