Назначение
Дымососы ДН-8 предназначены для отсоса в дымовые трубы продуктов сгорания. Эксплуатация допускается при температуре перемещаемых газов не выше + 200° С. Нормальная работа гарантируется при температуре окружающего воздуха от - 40° С до +40° С, относительной влажности 80 % и высоте над уровнем моря не более 1000м.
Общее описание и сравнительные характеристики смотрите на странице дымососы
Основные технические характеристики
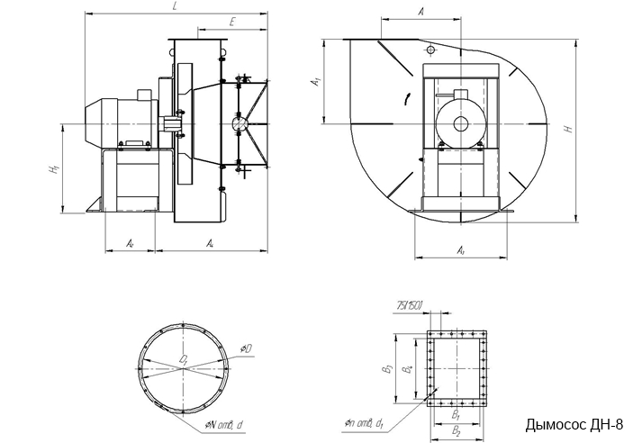
Технические характеристики агрегатов, габаритные, присоединительные и установочные размеры приведены в таблицах 1,2,3 и на рисунке 1.
По направлению вращения рабочего колеса, вентиляторы могут быть изготовлены правого или левого исполнения (правое вращение рабочего колеса по часовой стрелке, левое - против, со стороны электропривода), с различными углами разворота нагнетательного патрубка от 0° до 270° через 15° по ГОСТ 9725-82. Угол отсчитывается от горизонтальной плоскости.
Рисунок 1

Таблица 1
|
№
|
Габаритные размеры, мм
|
|
Lmax
|
В
|
А
|
A1
|
А2
|
А3
|
А4
|
Еmax
|
Hmax
|
H1
|
|
ДН-8
|
1230
|
1333
|
520
|
560
|
330
|
610
|
742
|
465-
|
1203
|
582
|
|
ДН-9
|
1290
|
1510
|
587
|
635
|
330
|
610
|
780
|
484
|
1375
|
582
|
Таблица 2
| № | Установочные размеры, мм |
| D | D1 | B1 | В2 | В3 | B4 | N | d | n | d1 |
| ДН-8 |
570 |
530 |
400 |
460 |
350 |
300 |
12 |
12 |
26 |
14 |
Технические характеристики
Таблица 3
| № | Относительный диаметр рабочего колеса | Ny, кВт. | Частота вращения вала n, мин.-1 | Производительность Q, 10³ м³/ч | Давление полное Pv, Па | Частота тока, Гц | Напряжение, В | Масса без двигателя не более, кг |
| ДН-8 |
1 |
11 |
1000 |
6,82 |
650 |
50 |
220/380 |
540 |
| 15 |
1500 |
10,05 |
1460 |
Аэродинамическая характеристика
