Заявка пуста

Обратная связь

Ваше сообщение успешно отправлено. Спасибо.

Поршневой компрессор К-23

23_2028040126
5 5 1 Product
Цена по запросу

+

Характеристики

105 кг
100 х 47 х 83 см
60 л
+
250 л/мин
410 л/мин
6 атм
ZS177F

Поршневой компрессор К-23 обеспечивает наибольшую производительность среди всех устройств, сконструированных на основе С412М.

Высокий уровень производительности поршневого компрессора К-23 был достигнут увеличением мощности электрического двигателя до 3х кВт, а также снижением выходного максимального давления до 6 бар. Рассматриваемое устройство оптимально подходит для покрасочных работ. Кроме того, использовать его можно в интенсивном режиме.

Полный список агрегатов смотрите на странице Поршневые компрессоры

Особенности:

  • Универсальность, совместимость с пневматическим инструментом и техникой любого вида;
  • Надежный электрический двигатель;
  • Мобильный воздушный электрический поршневой компрессор К-23 имеет реле давления, посредством которого регулируются параметры работы аппарата;
  • Ремонтопригодность, присутствие на рынке оригинальных деталей.

Характеристики

Тип Передвижной
Производительность, л/мин 250
Давление, бар 6
Объем ресивера, л 60
Расположение ресивера Горизонтальный
Мощность, кВт 3,0
Напряжение, В 380
Модель компрессорной головки С-412М
Тип привода Ременной
Размер, мм 1000х470х830
Вес, кг 105
Реле давления Да
Страна Россия

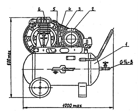
Установка компрессорная К-23

  • 1- ресивер;
  • 2- электродвигатель;
  • 3- ограждение;
  • 4- ремень приводной;
  • 5- трубопровод;
  • 6- головка компрессорная.
Установка компрессорная К-23

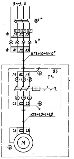
Схема электрическая принципиальная и соединений установки компрессорной К-23

Схема электрическая принципиальная и соединений установки компрессорной К-23

Работа электрической схемы

Установка К-23 выпускается для подключения в трехфазную четырехпроводную сеть с напряжением 380 В, 50Гц. Установка К-23 подключается к электрической сети через автоматический выключатель QF (см. эл. схему).

Завод рекомендует подключать установку через устройство защитного отключения (УЗО) в соответствии со схемой подключения.

 

Список комментариев:
Никаких комментариев пока не отправлено.
Рейтинг:

Оставьте отзыв о товаре:

Логин:

Другие модели из категории

Наверх