Заявка пуста

Обратная связь

Ваше сообщение успешно отправлено. Спасибо.

Винтовой компрессор ВК-61М

5 5 1 Product
Цена по запросу

+

Винтовой стационарный компрессор ВК-61М производства Бежецкого компрессорного завода. Установка состоит из одноступенчатого винтового компрессора и двух роторов. Винтовой блок EVO-6 (Rotorcomp).

Легкое обслуживание, легкая замена узлов и деталей, электронная система управления. Повышенная долговечность и надежность благодаря отсутствию пульсаций сжатого воздуха, а также клапанов и деталей, совершающих возвратно-поступательные движения. Компрессор винтовой ВК-61М имеет усовершенствованную конструкцию. Работа оборудования контролируется микропроцессорами. При нарушении основных параметров происходит автоматическое отключение электродвигателя.Оборудование потребляет энергию довольно экономично. Мощность двигателя составляет 30 кВт, а давление в системе - 10 атм. Надежная система охлаждения позволяет получать сжатый воздух с оптимальной температурой - не более 50 градусов. Температура всасываемого воздуха составляет от 10 до 45 градусов. Потребители получают технически чистый сжатый воздух с минимальным количеством масляных паров. Установка  ВК-61М АСО-ВК-4,2/10 используется для подачи сжатого воздуха в различных отраслях промышленности.

Полный список агрегатов смотрите на странице Винтовые компрессоры

Технические характеристики

Тип Стационарный
Производительность, л/мин 4200
Давление, бар 10
Объем ресивера, л 0
Тип привода Электрический
Мощность, кВт (л.с.) 30
Напряжение, В 380
Уровень шума, Дб 72…76
Тип компрессора Винтовой
Винтовой блок EVO-6 (Rotorcomp)
Охлаждение масла Воздушное
Размер, мм 1250х1100х1350
Вес, кг 680
Страна Россия

Установка компрессорная ВК-61М

  • 1-блок винтовой;
  • 2-привод;
  • 3-маслоотделитель;
  • 4-радиатор;
  • 5-пневмоблок;
  • 6-панель управления;
  • 7-панель приборная;
  • 8- основание;
  • 9-рама;
  • 10-ременная передача;
  • 11-блок распределения;
  • 12-механизм натяжения ремня;
  • 13-фильтр воздушный;
  • 14-клапан впускной;
  • 15-реле давления;
  • 16-влагоотделитель;
  • 17-панели звукоизолирующие.
Установка компрессорная ВК-61М

Схема комбинированная функциональная компрессора ВК-61М

  • КМ-блоквинтовой;
  • М-электродвигатель;
  • МД-маслоотделитель;
  • YA1-YA3-пневмораспределители;
  • АТ-блокохлаждения;
  • Ф1-фильтрвоздушный;
  • Ф2- фильтр очистки масла;
  • Ф3-фильтрочистки конденсата;
  • КТ-блок распределения;
  • КД-клапан минимального давления;
  • КВ-клапан впускной;
  • КО1, КО2-клапан обратный;
  • ДР1, ДР2-дроссель;
  • ДТ-датчик температуры;
  • ДД -датчик давления;
  • ИП1, ИП2–манометры.
Схема комбинированная функциональная компрессора ВК-61М

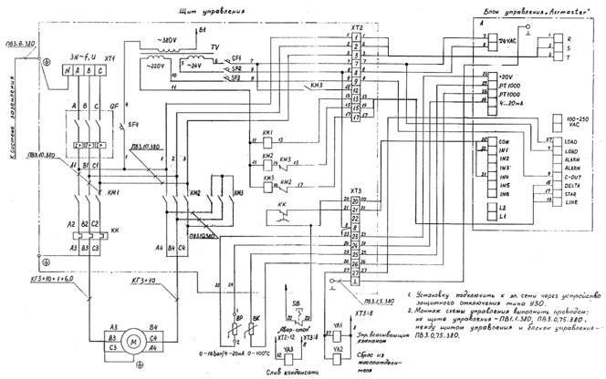
Схема электрическая принципиальная и соединений компрессора ВК-61М

Схема электрическая принципиальная и соединений компрессора ВК-61М

Схема соединения установки ВК-61М с ресивером

  • 1-установка компрессорная;
  • 2-ресивер;
  • 3-рукав;
  • 4-краншаровой;
  • 5-пульт управления;
  • 6-манометр;
  • 7-клапан предохранительный;
  • 8-влагоудалитель.
Схема соединения установки ВК-61М с ресивером

 

Список комментариев:
Никаких комментариев пока не отправлено.
Рейтинг:

Оставьте отзыв о товаре:

Логин:

Другие модели из категории

Наверх