Заявка пуста

Обратная связь

Ваше сообщение успешно отправлено. Спасибо.

Водонагреватель ВЭТ-500/12 Иртыш

4_1363456941
3 5 12 Product
Цена по запросу

+

Характеристики

500 л
2100 мм
700 мм
12 кВт
118 кг
19 °C

Водонагреватель использует в качестве нагревательных элементов ТЭНы (трубчатые электронагреватели). ВЭТ-500/12 используется для подогрева жидкостей и поддержания заданной температуры данных жидкостей (при этом они не должны агрессивно воздействовать на нержавеющую сталь).

Накопительные водонагреватели из нержавеющей стали с другими характеристиками смотрите на странице Водонагреватели ВЭТ

 

Готовое изделие ВЭТ Иртыш

В закрытых и открытых системах горячего водоснабжения также целесообразно использовать водонагреватель ВЭТ-500/12 Иртыш. В быту и на предприятиях этот водонагреватель отлично нагреет воду при водяном отоплении. Также возможно использование для технических нужд для проточно-аккумуляционного нагрева разнообразных неагрессивных жидкостей.

Сборка ВЭТ Иртыш

Принцип работы

  • Водонагреватель ВЭТ-500/12 Иртыш нагревает воду, которая отдаёт тепло в воздух;
  • Температура в бачке держится на определённом уровне благодаря тому, что периодически ТЭНы подключаются к электропитанию. Происходит это при помощи пульта дистанционного управления;
  • Сигнал на пульт поступает от датчиков температур (измерительного и аварийного) и контроллера наличия воды.
Чертеж водонагревателя ВЭТ

Элементы водонагревателя:

  • Воздухоотводчик. Помогает в автоматическом режиме избавиться от воздуха в водонагревателе ВЭТ-500/12;
  • Шаровый кран;
  • Термоманометр – для контроля давления и температур;
  • Термостат. Датчик перегрева управляется биметаллической пластиной. При повышении температуры катушка пускателя обесточивается благодаря размыканию контактов. При понижении температуры воды пускатель включается, т.к. контакты датчика замыкаются;
  • Трубчатые электронагреватели. В данной модели водонагревателя используются общепромышленные ТЭНы с покрытием из нержавеющей стали, которые крепятся на соединительных фланцах внизу бака на уровне присоединительного патрубка;
  • Колодка подключения водонагревателя ВЭТ-500/12 Иртыш к шкафу управления;
  • Шкаф подключения трубчатых электронагревателей;
  • Отверстие для подъёма;
  • Теплоизоляция из базальтового огнезащитного рулонного материала (БТВ). Благодаря утеплению высокая температура воды поддерживается достаточно долго;
  • Предохранительный клапан. Настроен на давление в 0,6 мегапаскалей, предотвращает в случае чрезмерного повышения давления в баке, его аварийный разрыв;
  • Трубопровод горячей воды;
  • Преобразователь температур;
  • Бак из нержавеющей стали марки 12Х18Н10Т или аналогичный;
  • Рециркуляционный турбопровод;
  • Чехол для защиты;
  • Трубопровод для холодной воды;
  • Обратный клапан. Предотвращает обратное движение воды в водонагревателе;
  • Кран для слива воды с внутренней резьбой;
  • Болт заземления;
  • Мини-выключатель водонагревателя ВЭТ-500/12 Иртыш. Поплавковый выключатель служит для предохранения включения водонагревателя без воды.

В качестве нагревательных элементов в водонагревателе ВЭТ-500/12 Иртыш использованы общепромышленные трубчатые электронагреватели (ТЭН) с оболочкой из нержавеющей стали, установленные на резьбовых фланцах. Трубчатые нагреватели ТЭН устанавливаются в нижней части бака на уровне входного патрубка посредством резьбового соединения.

Тэны к ВЭТ

В корпусе бака водонагревателя ВЭТ-500/12 Иртыш установлен измерительный датчик температуры, датчик перегрева, датчик наличия воды, термоманометр. Выводы датчиков соединены с соответствующими выводами, установленного в шкафу на корпусе бака. Датчик перегрева типа Т24А085 представляет собой нормально замкнутые контакты, управляемые биметаллической пластиной. При температуре 83-85°С контакты размыкаются и обесточивают катушку пускателя. При остывании нагреваемой воды до 72-78°С контакты датчика замыкаются, обеспечивая возможность включения пускателя.

Датчик перегрева

Измерительный датчик температуры расположен на уровне выходного патрубка нагревателя ВЭТ-500/12 и контролирует температуру наиболее горячего слоя воды, непосредственно используемой при водоразборе.

Датчик температуры

Миниатюрный поплавковый выключатель (датчик наличия воды) предназначен защиты водонагревателя от включения без воды.

Поплавковый выключатель

Предохранительный клапан настроен на давление (0,6±0,15) МПа и предназначен для предотвращения аварийного разрыва корпуса водонагревателя ВЭТ-500/12 вследствие повышения давления в нём до непредусмотренного уровня.

Предохранительный клапан

 

Для визуального контроля основных параметров воды (давления и температуры) в корпусе водонагревателя ВЭТ-500/12 Иртыш установлен термоманометр.

Термоманометр

Для предотвращения движения обратного потока воды в водонагревателе ВЭТ-500/12 Иртыш на входном патрубке установлен обратный клапан.

Обратный клапан

Сверху и сбоку водонагреватель ВЭТ-500/12 Иртыш утеплен прошивными матами из базальтового тонкого волокна (БТВ) ТМ "АМАКС". Дно водонагревателя утеплено системой напыления ППУ Polynor. Утепление водонагревателя позволяет сохранять температуру воды длительный срок.

Утепление для водонагревателя

Утепление корпуса водонагревателя

Отгрузка водонагревателей ВЭТ-500/12 Иртыш производится любой транспортной компанией в любые города России и стран СНГ. Упаковка, обрешетка и доставка до терминала транспортной компании в г. Омск производится за счет «Предприятия Взлет».

Отгрузка ВЭТ Иртыш

Пульт управления

  • выключатели,
  • пускатель,
  • терморегулятор (программируется в зависимости от режима эксплуатации).
Шкаф управления

Предназначен для контроля и поддержания необходимой температуры воды, защиты от перегрева, блокировки незапланированного нагрева водонагревателя ВЭТ-500/12 Иртыш, защиты электрооборудования от перегрузок.

Требования к воде

Водонагреватель ВЭТ-500/12 Иртыш будет полноценно функционировать, если:

  • Наличие в воде растворённого кислорода будет не более 100мг/л;
  • Водородный показатель кислотности (вес водорода) 6-9 рН;
  • Жёсткость воды не более 6 миллиграмм-эквивалентов/литр.
Терморегулятор трм-500

Технические параметры водонагревателя

№ п/пХарактеристикаПоказатель
1 Бак 500 литров
2 Номинальная мощность трубчатых электронагревателей 12 киловатт
3 Сеть 220/380 вольт
4 Максимальное рабочее давление 0,6 мегапаскаль
5 Пробное (избыточное) давление 0,9 мегапаскаль
6 Настраиваемая температура От 0 до 85°С
7 Размеры h – 2100 миллиметров d – 700 миллиметров
8 Масса 118 килограмм
9 Нагрев (скорость) 19 градусов/час
10 Блокируется при температуре 85°С
11 Бак Нержавеющая сталь

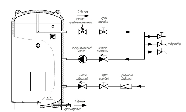
Схема обвязки водонагревателя ВЭТ-500/12 Иртыш с линией рециркуляции

Схема обвязки водонагревателя ВЭТ-500/12 с линией рециркуляции

Доставка водонагревателей ВЭТ-500/12 Иртыш возможна во все города России и СНГ. Доставку до терминала, упаковку выполняет Предприятие Взлёт, г. Омск.

 

Список комментариев:
Никаких комментариев пока не отправлено.
Рейтинг:

Оставьте отзыв о товаре:

Логин:

Другие модели из категории

Подбор водонагревателя

Фильтры

Объём
Подача: From : To :
Наверх