Заявка пуста

Обратная связь

Ваше сообщение успешно отправлено. Спасибо.

Насос 1Д630-90а

Насос 1Д630-90а Болгария
5 5 1 Product
Цена по запросу

+

Характеристики

500 м³/ч
60.00 м
1450 об/мин
144.00 кВт
5.90 м

Конструкция насосов 1Д630-90а: горизонтальные, центробежные, одноступенчатые насосы с горизонтальным разъемом корпуса, рабочее колесо двухстороннего входа.

Другие модели насосов двустороннего входа смотрите на странице Насосы Д, 1Д

Материалы проточной части насосов: рабочее колесо - чугун СЧ25, вал - Сталь 45.

Уплотнение вала: сальниковое.

Перекачиваемые среды:

  • вода и жидкости, сходные с водой по вязкости и химической активности;
  • температура перекачиваемой жидкости – от +1 до +85°С;
  • допускаемые абразивные включения: содержание по массе - не более 0,05%, размер - не более 0,2 мм.

Основные технические характеристики насоса 1Д630-90а

Типоразмер насосаПараметрыПараметры электродвигателяМасса
агрегата
Q, м.куб./чH, м.ДКЗ, мМаркаМощность, кВтоб/минкг
1Д630-90а 550 74 5,8 АИР315M4 200 1450 1685
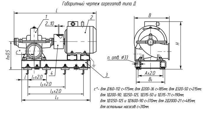
Габаритный чертеж насоса 1Д

Размеры насосов 1Д630-90а

НасосРазмер, мм
1Д630-90аLL1ll1l2l3l4l5BB1HH1H2H3hA1A2 
1145 645 590 360 590 390 360 160 1000 500 845 440 330 270 64 530 530  
A3DD1D2D3D4D5D6D7dd1d2d3nn1b Масса,кг
300 370 335 312 250 335 295 268 200 18 22 28 60 12 12 18   540
Габаритный чертеж агрегатов типа 1Д630-90а

Размеры насосных агрегатов 1Д630-90а

Марка насосаРазмеры в ммn
LL1II1I2I3BB1AHh
1Д630-90а 2360 2125 310 - 700 1140 1090 720 660 1535 655 6
2445 1960 630 1250 1000 600 540 1115
2445 1960 1115
2195 1930 1175
2200 2015 1200

Возможный вариант агрегатирования электродвигателем

Марка насосаДвигательМасса агрегата, кг
ТипоразмерМощность, кВтНапряжение, ВМасса, кг
1Д630-90а А4-355-LK-4 У3, ТЗ 200 6000 1200 2025
5AMH315S-4 У3 380/660 1050 1845
5АМ315М4УЗ, Т2 1110 1945
5АН315А-4 УЗ, ТЗ 900 1960
ДАН315S-4 У3 870 1675
Характеристики насоса 1ДСтроповка агрегатов типа 1Д

 

Список комментариев:
Никаких комментариев пока не отправлено.
Рейтинг:

Оставьте отзыв о товаре:

Логин:

Другие модели из категории

Цена по запросу Насос 2Д2000-21а (1000)
Цена по запросу Насос 1Д1250-63а (1000)
Цена по запросу Насос 1Д200-90а
Наверх