Насосы Д160-112 предназначены для перекачивания воды и химически активных нетоксичных жидкостей плотностью до 1100кг/м³, вязкостью до 60•10-6 м²/с (60 сСт), температурой до 368К (95°С), не содержащих твердых включений по массе более 0,05%, размеру более 0,2 мм и микротвердостью более 6,5 ГПа (650 кгс/мм²).
где Д160-112- марка насоса (агрегата):
- Д – насос двустороннего входа;
- 160 – подача, м³/ч (в номинальном режиме при номинальной частоте вращения, для основного исполнения по диаметру рабочего колеса);
- 112 – напор, м (в номинальном режиме при номинальной частоте вращения, для основного исполнения по диаметру рабочего колеса);
- м, а, б- индекс обточки рабочего колеса (м- увеличенный, а или б – уменьшенные диаметры рабочего колеса).
Тип уплотнения вала:
без обозначения – двойной сальник, т – одинарное торцовое.
По требованию потребителя возможна установка двойного торцового уплотнения типа «тандем» или одинарного со вспомогательным.
| Типоразмер насоса (агрегата) | Подача, м³/ч, (м³/с) | Напор, м | Потребляемая мощность насоса, кВт | Частота вращения, с-1 (об/мин) |
в номинальном режиме | максимальная в рабочем интервале |
| Д160-112м |
160(0,044) |
122 |
80 |
92 |
48,3(2900) |
| Д160-112 |
160(0,044) |
112 |
75 |
86 |
| Д160-112б |
135(0,038) |
80 |
44 |
53 |
| Д160-112м |
90(0,025) |
30 |
12 |
13 |
24,2(1450) 24,2(1450) |
| Д160-112 |
80(0,022) |
28 |
10,5 |
12 |
| Д160-112б |
70(0,019) |
21 |
7,6 |
8,8 |
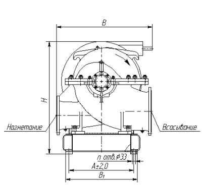
Размеры насоса
| Типоразмер насоса | Размеры в мм |
| L | L1 | l | l1 | l2 | l3 | l4 | l5 | B | B1 | H | H1 | H2 | H3 | Н4 | А1 | А2 | А3 | h |
| Д160-112 |
790 |
450 |
450 |
210 |
340 |
160 |
340 |
160 |
640 |
300 |
555 |
300 |
181 |
146 |
- |
330 |
260 |
260 |
39-0,29 |
| Д160-112 -т - Е |
| Типоразмер насоса | Размеры в мм | f | f1 | Ру, МПа (кгс/см²) вх/вых | Масса*, кг |
| D | D1 | D2 | D3 | D4 | D5 | D6 | D7 | d | d1 | d2 | d3 js6(±0.008) | n | n1 | b |
| Д160-112 |
280 |
240 |
212 |
150 |
215 |
180 |
158 |
100 |
22 |
18 |
23 |
36 |
8 |
8 |
|
22°30’ |
1.0(10)/1.6(16) |
200 |
| Д160-112 -т -Е |
|
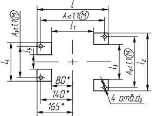
Габаритный чертёж агрегатов типа Д
Типоразмер насоса | Размеры в мм | n |
| L | L1 | l | l1 | l2 | l3 | B | B1 | A | H | h | c | c1 |
| Д160-112м |
1875 |
1355 |
175 |
- |
- |
900 |
640 |
510 |
440 |
935 |
525 |
175 |
220 |
4 |
| 1905 |
920 |
| |
|
|
|
| 1495 |
1080 |
765 |
520 |
| 1535 |
850 |
| |
|
|
|
| Д160-112 |
1760 |
1355 |
175 |
900 |
905 |
525 |
| 1965 |
900 |
| |
|
|
|
|
| 1465 |
1080 |
700 |
765 |
520 |
| 1400 |
| 1545 |
| |
|
|
|
|
|
| Д160-112а |
1730 |
1355 |
175 |
900 |
905 |
525 |
| 1935 |
| |
|
|
|
|
| 1465 |
1080 |
700 |
765 |
520 |
| 1400 |
| |
|
|
|
|
|
| Д160-112б |
1630 |
1260 |
175 |
900 |
830 |
520 |
| 1705 |
| |
|
|
|
|
| 1190 |
1080 |
700 |
665 |
520 |
| 1293 |
755 |
| |
|
|
|
|
|
Примечания 1 Допускается комплектация другими электродвигателями соответствующей мощности и частоты вращения. 2 Допускаемое отклонение массы насоса +2%. Отклонение в противоположную сторону нерегламентируется. |
Типоразмер насоса | Двигатель | Масса агрегата, кг |
| Типоразмер | Мощность, кВт | Напряжение, В | Масса, кг |
| Д160-112м |
5АМ280S2 У3, Т2 |
110 |
220/380 |
685 |
1055 |
| 2В280S2 У2.5, Т2.5 |
380 |
862 |
1232 |
| |
|
|
|
| 5А160М4 У3, Т2 |
18,5 |
220/380 |
140 |
510 |
| ВА160М4 У2, Т2 |
380, 660 |
190 |
560 |
| |
|
|
|
| Д160-112 |
5АМ250М2 У3, Т2 |
90 |
220/380 |
550 |
877 |
| 2В250М2 У2,5, Т2,5 |
380 |
695 |
1065 |
| |
|
|
|
| 5А160S4 У3, Т2 |
15 |
220/380 |
127 |
497 |
| АИР160S4У3, Т2 |
120 |
460 |
| АИМР160S4У2,5, Т2.5 |
660 |
120 |
490 |
| |
|
|
|
| Д160-112а |
5АМ250S2У3, Т2 |
75 |
220/380 |
480 |
847 |
| 2В250S2 У2,5, Т2,5 |
380 |
640 |
910 |
| |
|
|
|
|
| 5А160S4 У3, Т2 |
15 |
220/380 |
127 |
467 |
| АИМР160S4У2,5, Т2.5 |
660 |
120 |
460 |
| |
|
|
|
|
| Д160-112б |
5А225М2 У3, Т2 |
55 |
220/380 |
340 |
693 |
| 3В225М2 У2,5, Т2,5 |
380.660 |
455 |
825 |
| |
|
|
|
| АИРМ132М4 У3, Т2 |
11 |
220/380 |
83,5 |
455 |
| ВА132М4 У2, Т2 |
380, 660 |
102 |
472 |
| |
|
|
|
|
Примечания 1 Допускается комплектация другими электродвигателями соответствующей мощности и частоты вращения. 2 Допускаемое отклонение массы насоса +2%. Отклонение в противоположную сторону нерегламентируется. |
Характеристика насоса (агрегата) Д160-112
- Частота вращения 24,2 с-1 (n=1450 об/мин)
- Жидкость – вода
- Плотность – 1000 кг/м³
* - данные для насоса