Заявка пуста

Обратная связь

Ваше сообщение успешно отправлено. Спасибо.

Насос 1К100-80-160

Консольный насос 1К100-80-160
4.5 5 2 Product
Цена по запросу

+

Характеристики

100 м³/ч
32 м
4,5 м
3000 об/мин
15 кВт
1220x334x535 мм*
241 кг*
100 мм
65 мм

Насосы 1К100-80-160 являются изделиями с центробежным принципом действия, с горизонтальным расположением, с консолью на валу, уплотняемым сальником или механическими уплотнителями на торце.

Другие модели консольных насосов смотрите на странице Насосы К

Технические данные насоса 1К100-80-160

  • Конструкция – центробежная.
  • Исполнение – консольное.
  • Рабочая среда – вода техническая (исключая морской тип) и жидкости с:
    • механическими свойствами (по плотности, вязкости) – близкими к воде;
    • пределами рН – от 6 до 9;
    • твёрдыми частицами меньше 0,2 мм в поперечнике при массовом содержании не выше 1%;
    • температурой от 263 до 378К (от -10 до +105˚С).
  • Вид насоса в агрегате 1К100-80-160 по назначению – I (восстанавливаемый).
  • Исполнения по климату – У3.1 и Т2.
  • Пригодность для работы в помещениях с опасностью возникновения взрыва (зоны 1 и 2) или пожара – варианты насосов 1К100-80-160 с уплотнением вала по торцу и с взрывозащищённым электродвигателем.
  • Экспортная поставка – возможна (ОСТ26-06-2011-79).

Устройство

Корпус отливается из чугуна. Наружу выходят 2 патрубка. По входному, располагающемуся по оси вращения рабочего колеса, в насос засасывается перекачиваемая жидкость. Она колесом отбрасывается к периферии рабочей полости и вытесняется в отвод спирально-кольцевого профиля. Оттуда она выходит из корпуса насоса 1К100-80-160 по идущему вертикально вверх нагнетательному патрубку. Этот патрубок находится в той же плоскости, что и ось вращения вала. Для крепления агрегата к монтажному основанию в корпусе предусмотрены лапы.

Центробежное колесо насоса 1К100-80-160 выполнено по закрытому типу с односторонним входом жидкости вдоль оси. Действующие по оси силы ослабляются при помощи следующих решений. На колёсах в диапазоне условных диаметров от 200 до 315 мм эту функцию выполняют выполненные на основном диске разгрузочные отверстия, с 160 мм – импеллером, выполненном там же.

Уплотнение находится в своём корпусе, который прикреплён к корпусу насоса 1К100-80-160 посредством кронштейна. Соединяется кронштейн с первым при помощи винтов, со вторым – фланца. Уплотнение охлаждается жидкостью непосредственно перекачиваемой (если её температура не превышает 60˚С), либо от стороннего источника (если превышает). Охладитель подаётся к уплотнителю через соответствующие отверстия в его корпусе.

Ротор насоса 1К100-80-160 – правовращающийся.

Кодировка

В условном обозначении насоса 1К100-80-160:

  • первая цифра означает, что конструкция первой модернизации;
  • буква «К» – консольный тип конструкции;
  • 100 и 80 – диаметры патрубков в мм (входного и выходного, соответственно);
  • 160 – условный диаметр рабочего колеса в мм.
Типоразмер насосаВеличина для патрубка
ВсасывающийНагнетательный
FxFyFzMxMyMzFxFyFzMxMyMz
НН∙мНН∙м
1К100-80-160 840 380 700 310
Примечание: Ось X – вдоль оси насоса, ось Y – параллельно фланцу всасывающего патрубка, ось Z – вертикально вверх.
Типоразмер насосаВеличина для патрубка Ру, МПа (кгс/см²)
ВсасывающийНагнетательный
1К100-80-160 0,6(6) 1,6 (16)
Наименование показателяЗначение показателя
Средняя наработка до отказа, ч
Средний ресурс до капитального ремонта, ч
Среднее время до восстановления, ч
Назначенный срок службы, лет
Коэффициент готовности
Срок сохраняемости, лет
6000
32000
8
6
0,998
2

Основные технические характеристики насоса 1К100-80-160

Типоразмер насосаПараметрыПараметрыМасса
насоса
Q, м³/чH, мДКЗ, мМощность, кВтОбороты, об/минкг
1К100-80-160 100 32 4,5 15 3000 60

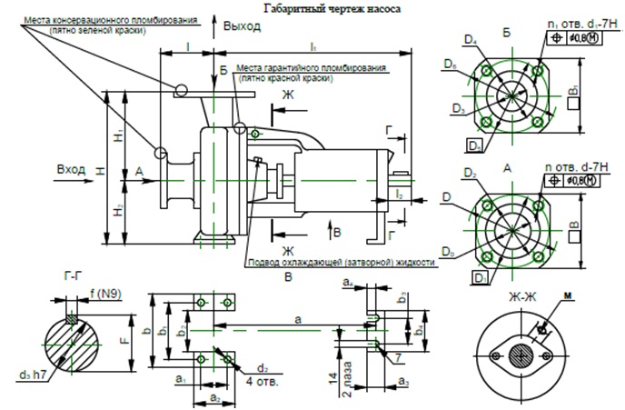
Габаритные размеры насоса 1К100-80-160

Габаритные размеры насоса 1К100-80-160
 
Обозначениеll1l2aа1a2bb1b2b3b4BB1М
1К100-80-160 100 415 80 270 95 125 280 212 150 110 145 155 150 М12Х1,5

Габаритные размеры насосного агрегата 1К100-80-160

Габаритные размеры насосного агрегата 1К100-80-160
 
ТипоразмерМакс
пода-
ча
Размер, мм
Электро-
двигатели
Мощ-
ность,
кВт
LL1ll1l2АА1НН1ВВ1В2Масса кг
1К100-80-160м-с
1К100-80-160м-т
128 АИР160М2
5A160М2
АИМР160М2
ВА160М2
18,5 1165
1220
1260
1175
975 100 178 150 620 230 540
537
630
655
295 350
334
350
350
324 160
196
210
230
238
245
273
273
1К100-80-160-с
1К100-80-160-т
125 АИР160S2
5А160S2
АИМР160S2
ВА160S2
15 1125
1190
1220
1135
540
537
630
655
350
334
350
350
160
196
210
230
224
234
258
253
1К100-80-160а-с
1К100-80-160а-т
120 АИР160S2
5А160S2
АИМР160S2
ВА160S2
15 1125
1190
1220
1135
540
537
630
655
350
334
350
350
160
196
210
230
224
234
258
253
1К100-80-160б-с
1К100-80-160б-т
115 А132М2
АИРМ132М2
АИМ132М2
ВА132М2
11 1025
1018
1090
1030
490
485
610
555
285
288
290
290
155
155
157
200
182
185
230
205
Характеристики насоса 1К100-80-160

 

Список комментариев:
Никаких комментариев пока не отправлено.
Рейтинг:

Оставьте отзыв о товаре:

Логин:

Другие модели из категории

Цена по запросу Насос К100-80-160а
Цена по запросу Насос 1К 20/30м
Цена по запросу Насос К200-150-400
Наверх