Заявка пуста

Обратная связь

Ваше сообщение успешно отправлено. Спасибо.

Насос 1К80-65-160

Консольный насос 1К80-65-160
5 5 1 Product
Цена по запросу

+

Характеристики

50 м³/ч
32 м
4,0 м
3000 об/мин
7,5 кВт
1025x324x485 мм*
181 кг*
80 мм
65 мм

Насосы 1К80-65-160 являются изделиями с центробежным принципом действия, с горизонтальным расположением, с консолью на валу, уплотняемым сальником или механическими уплотнителями на торце.

Другие модели консольных насосов смотрите на странице Насосы К

Технические данные насоса 1К80-65-160

  • Конструкция – центробежная.
  • Исполнение – консольное.
  • Рабочая среда – вода техническая (исключая морской тип) и жидкости с:
    • механическими свойствами (по плотности, вязкости) – близкими к воде;
    • пределами рН – от 6 до 9;
    • твёрдыми частицами меньше 0,2 мм в поперечнике при массовом содержании не выше 1%;
    • температурой от 263 до 378К (от -10 до +105˚С).
  • Вид насоса в агрегате 1К80-65-160 по назначению – I (восстанавливаемый).
  • Исполнения по климату – У3.1 и Т2.
  • Пригодность для работы в помещениях с опасностью возникновения взрыва (зоны 1 и 2) или пожара – варианты насосов 1К80-65-160 с уплотнением вала по торцу и с взрывозащищённым электродвигателем.
  • Экспортная поставка – возможна (ОСТ26-06-2011-79).

Устройство

Корпус отливается из чугуна. Наружу выходят 2 патрубка. По входному, располагающемуся по оси вращения рабочего колеса, в насос засасывается перекачиваемая жидкость. Она колесом отбрасывается к периферии рабочей полости и вытесняется в отвод спирально-кольцевого профиля. Оттуда она выходит из корпуса насоса 1К80-65-160 по идущему вертикально вверх нагнетательному патрубку. Этот патрубок находится в той же плоскости, что и ось вращения вала. Для крепления агрегата к монтажному основанию в корпусе предусмотрены лапы.

Центробежное колесо насоса 1К80-65-160 выполнено по закрытому типу с односторонним входом жидкости вдоль оси. Действующие по оси силы ослабляются при помощи следующих решений. На колёсах в диапазоне условных диаметров от 200 до 315 мм эту функцию выполняют выполненные на основном диске разгрузочные отверстия, с 160 мм – импеллером, выполненном там же.

Уплотнение находится в своём корпусе, который прикреплён к корпусу насоса 1К80-65-160 посредством кронштейна. Соединяется кронштейн с первым при помощи винтов, со вторым – фланца. Уплотнение охлаждается жидкостью непосредственно перекачиваемой (если её температура не превышает 60˚С), либо от стороннего источника (если превышает). Охладитель подаётся к уплотнителю через соответствующие отверстия в его корпусе.

Ротор насоса 1К80-65-160 – правовращающийся.

Кодировка

В условном обозначении насоса 1К80-65-160:

  • первая цифра означает, что конструкция первой модернизации;
  • буква «К» – консольный тип конструкции;
  • 80 и 65 – диаметры патрубков в мм (входного и выходного, соответственно);
  • 160 – условный диаметр рабочего колеса в мм.
Типоразмер насосаВеличина для патрубка
ВсасывающийНагнетательный
FxFyFzMxMyMzFxFyFzMxMyMz
НН∙мНН∙м
1К80-65-160 700 310 490 210
Примечание: Ось X – вдоль оси насоса, ось Y – параллельно фланцу всасывающего патрубка, ось Z – вертикально вверх.
Типоразмер насосаВеличина для патрубка Ру, МПа (кгс/см²)
ВсасывающийНагнетательный
1К80-65-160 1,6(16) 1,6 (16)
Наименование показателяЗначение показателя
Средняя наработка до отказа, ч
Средний ресурс до капитального ремонта, ч
Среднее время до восстановления, ч
Назначенный срок службы, лет
Коэффициент готовности
Срок сохраняемости, лет
6000
32000
8
6
0,998
2

Основные технические характеристики насоса 1К80-65-160

Типоразмер насосаПараметрыПараметрыМасса
насоса
Q, м³/чH, мДКЗ, мМощность, кВтОбороты, об/минкг
1К80-65-160 50 32 4 7,5 3000 60

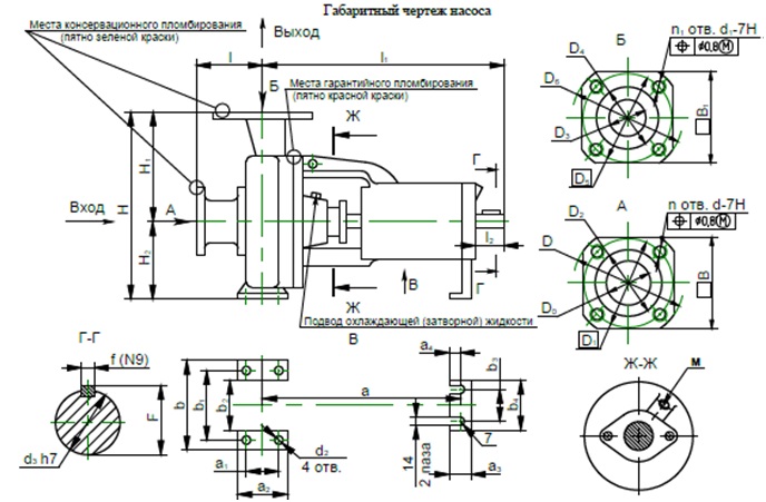
Габаритные размеры насоса 1К80-65-160

Габаритные размеры насоса 1К80-65-160
 
Обозначениеll1l2aа1a2bb1b2b3b4BB1М
1К80-65-160 80 385 50 275 70 100 240 190 140 110 145 - 125 М12Х1,5

Габаритные размеры насосного агрегата 1К80-65-160

Габаритные размеры насосного агрегата 1К80-65-160
 
ТипоразмерМакс
пода-
ча
Размеры, мм
Электро-
двигатели
Мощ-
ность
кВт
LL1ll1l2АА1НН1ВВ1В2Масса, кг
1К80-65-160м-с
1К80-65-160м-т
65 А132М2
АИРМ132М2
АИМ132М2
ВА132М2
11 1025
1018
1080
1020
895 100 178 150 600 230 490
485
615
560
290 270
290
270
290
324 145
145
157
200
182
18
233
208
1К80-65-160-с
1К80-65-160-т
65 А112М2
5АМ112М2
АИР112М2
АИМ112М2
ВА112М2
7,5 1025
1000
953
1020
1015
825 470
460
450
580
525
270 145
145
145
200
200
173
161
144
184
183
1К80-65-160а-с
1К80-65-160а-т
55 А112М2
5АМ112М2
АИР112М2
АИМ112М2
ВА112М2
7,5 1025
1000
953
1020
1015
470
460
450
580
525
145
145
145
200
200
173
161
144
184
183
Характеристики насоса 1К80-65-160

 

Список комментариев:
Никаких комментариев пока не отправлено.
Рейтинг:

Оставьте отзыв о товаре:

Логин:

Другие модели из категории

Цена по запросу Насос К150-125-315
Цена по запросу Насос 1К100-65-200
Цена по запросу Насос К200-150-400а
Наверх