Заявка пуста

Обратная связь

Ваше сообщение успешно отправлено. Спасибо.

Насос 1К50-32-125

Консольный насос 1К50-32-125
5 5 1 Product
Цена по запросу

+

Характеристики

12,5 м³/ч
21 м
3,5 м
3000 об/мин
2,2 кВт
820x318x312 мм*
64 кг*
50 мм
32 мм

Насосы 1К50-32-125 являются изделиями с центробежным принципом действия, с горизонтальным расположением, с консолью на валу, уплотняемым сальником или механическими уплотнителями на торце.

Другие модели консольных насосов смотрите на странице Насосы К

Технические данные насоса 1К50-32-125

  • Конструкция – центробежная.
  • Исполнение – консольное.
  • Рабочая среда – вода техническая (исключая морской тип) и жидкости с:
    • механическими свойствами (по плотности, вязкости) – близкими к воде;
    • пределами рН – от 6 до 9;
    • твёрдыми частицами меньше 0,2 мм в поперечнике при массовом содержании не выше 1%;
    • температурой от 263 до 358К (от -10 до +85°С).
  • Вид насоса в агрегате 1К50-32-125 по назначению – I (восстанавливаемый).
  • Исполнения по климату – У3.1 и Т2.
  • Пригодность для работы в помещениях с опасностью возникновения взрыва (зоны 1 и 2) или пожара – варианты насосов 1К50-32-125 с уплотнением вала по торцу и с взрывозащищённым электродвигателем.
  • Экспортная поставка – возможна (ОСТ26-06-2011-79).

Устройство

Корпус отливается из чугуна. Наружу выходят 2 патрубка. По входному, располагающемуся по оси вращения рабочего колеса, в насос засасывается перекачиваемая жидкость. Она колесом отбрасывается к периферии рабочей полости и вытесняется в отвод спирально-кольцевого профиля. Оттуда она выходит из корпуса насоса 1К50-32-125 по идущему вертикально вверх нагнетательному патрубку. Этот патрубок находится в той же плоскости, что и ось вращения вала. Для крепления агрегата к монтажному основанию в корпусе предусмотрены лапы.

Центробежное колесо насоса 1К50-32-125 выполнено по закрытому типу с односторонним входом жидкости вдоль оси. Действующие по оси силы ослабляются при помощи следующих решений. На колёсах в диапазоне условных диаметров от 200 до 315 мм эту функцию выполняют выполненные на основном диске разгрузочные отверстия, с 160 мм – импеллером, выполненном там же.

Уплотнение находится в своём корпусе, который прикреплён к корпусу насоса 1К50-32-125 посредством кронштейна. Соединяется кронштейн с первым при помощи винтов, со вторым – фланца. Уплотнение охлаждается жидкостью непосредственно перекачиваемой (если её температура не превышает 60°С), либо от стороннего источника (если превышает). Охладитель подаётся к уплотнителю через соответствующие отверстия в его корпусе.

Ротор насоса 1К50-32-125 – правовращающийся.

Кодировка

В условном обозначении насоса 1К50-32-125:

  • первая цифра означает, что конструкция первой модернизации;
  • буква «К» – консольный тип конструкции;
  • 50 и 32 – диаметры патрубков в мм (входного и выходного, соответственно);
  • 125 – условный диаметр рабочего колеса в мм.
Типоразмер насоса 
ВсасывающийНагнетательный
НН∙мНН∙м
1К50-32-125 490 210 350 160
Типоразмер насосаВеличина для патрубка
ВсасывающийНагнетательный
FxFyFzMxMyMzFxFyFzMxMyMz
НН∙мНН∙м
1К50-32-125 490 210 350 160
Примечание: Ось X – вдоль оси насоса, ось Y – параллельно фланцу всасывающего патрубка, ось Z – вертикально вверх.
Типоразмер насосаВеличина для патрубка Ру, МПа (кгс/см²)
ВсасывающийНагнетательный
1К50-32-125 0,6(6,0) 1,0 (10)
Наименование показателяЗначение показателя
Средняя наработка до отказа, ч
Средний ресурс до капитального ремонта, ч
Среднее время до восстановления, ч
Назначенный срок службы, лет
Коэффициент готовности
Срок сохраняемости, лет
6000
32000
8
6
0,998
2

Основные технические характеристики насоса 1К50-32-125

Типоразмер насосаПараметрыПараметрыМасса
насоса
Q, м³/чH, мДКЗ, мМощность, кВтОбороты, об/минкг
1К50-32-125 12,5 21 3,5 2,2 3000 35

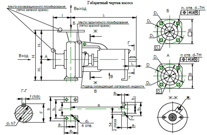
Габаритные размеры насоса 1К50-32-125 

Габаритные размеры насоса 1K50-32-125 
 
Обозначениеll1l2aа1a2bb1b2b3b4BB1М
1К50-32-125 80 385 50 275 70 100 190 140 90 110 145 - 105 М12Х1,5

Габаритные размеры насосного агрегата 1К50-32-125

Габаритные размеры насосного агрегата
ТипоразмерМах
подача
Размеры,
мм
Масса,
кг
Электро-
двигатели
Мощ-
ность,
кВт
LL1ll1l2АА1А2А3НН1ВВ1В2
1К50-32-125м-с
1К50-32-125м-т
18 АИР90L2
АИМ90L2
3 837
860
745 80 130 112 450±1,1 270±1,1 - - 312 172 180 318 90 68
113
1К50-32-125м-с
1К50-32-125м-т
16 АИР80В2
АИМ80В2
2,2 820
830
710 64
87
1К50-32-125-с
1К50-32-125-т
17 АИР80В2
АИМ80В2
2,2 820
830
64
87
1К50-32-125а-с
1К50-32-125а-т
16 АИР80В2
АИМ80В2
2,2 820
830
64
87
1К50-32-125б-с
1К50-32-125б-т
14 АИР80А2
АИМ80А2
1,5 816
830
61
87
 
Характеристики насоса

 

Список комментариев:
Никаких комментариев пока не отправлено.
Рейтинг:

Оставьте отзыв о товаре:

Логин:

Другие модели из категории

Цена по запросу Насос К200-150-400
Цена по запросу Насос 1К80-65-160
Цена по запросу Насос К200-150-250а
Наверх