Заявка пуста

Обратная связь

Ваше сообщение успешно отправлено. Спасибо.

Насос К 160/30

Консольный насос К 160/30
4 5 2 Product
Цена по запросу

+

Характеристики

160 м³/ч
30 м
4,2 м
1500 об/мин
30 кВт
830x527x480 мм*
120 кг*
-
-

Насосы К 160/30 являются изделиями с центробежным принципом действия, с горизонтальным расположением, с консолью на валу, уплотняемым сальником или механическими уплотнителями на торце.

Другие модели консольных насосов смотрите на странице Насосы К

Технические данные насоса К 160/30

  • Конструкция – центробежная.
  • Исполнение – консольное.
  • Рабочая среда – вода техническая (исключая морской тип) и жидкости с:
    • механическими свойствами (по плотности, вязкости) – близкими к воде;
    • пределами рН – от 6 до 9;
    • твёрдыми частицами меньше 0,2 мм в поперечнике при массовом содержании не выше 1%;
    • температурой от 263 до 358К (от -10 до +85°С).
  • Вид насоса в агрегате К 160/30 по назначению – I (восстанавливаемый).
  • Исполнения по климату – У3.1 и Т2.
  • Пригодность для работы в помещениях с опасностью возникновения взрыва (зоны 1 и 2) или пожара – варианты насосов К 160/30 с уплотнением вала по торцу и с взрывозащищённым электродвигателем.
  • Экспортная поставка – возможна (ОСТ26-06-2011-79).

Устройство

Корпус отливается из чугуна. Наружу выходят 2 патрубка. По входному, располагающемуся по оси вращения рабочего колеса, в насос засасывается перекачиваемая жидкость. Она колесом отбрасывается к периферии рабочей полости и вытесняется в отвод спирально-кольцевого профиля. Оттуда она выходит из корпуса насоса К 160/30 по идущему вертикально вверх нагнетательному патрубку. Этот патрубок находится в той же плоскости, что и ось вращения вала. Для крепления агрегата к монтажному основанию в корпусе предусмотрены лапы.

Центробежное колесо насоса К 160/30 выполнено по закрытому типу с односторонним входом жидкости вдоль оси. Действующие по оси силы ослабляются при помощи следующих решений. На колёсах в диапазоне условных диаметров от 200 до 315 мм эту функцию выполняют выполненные на основном диске разгрузочные отверстия, с 160 мм – импеллером, выполненном там же.

Уплотнение находится в своём корпусе, который прикреплён к корпусу насоса К 160/30 посредством кронштейна. Соединяется кронштейн с первым при помощи винтов, со вторым – фланца. Уплотнение охлаждается жидкостью непосредственно перекачиваемой (если её температура не превышает 60°С), либо от стороннего источника (если превышает). Охладитель подаётся к уплотнителю через соответствующие отверстия в его корпусе.

Ротор насоса К 160/30 – правовращающийся.

Кодировка

В условном обозначении насоса К 160/30:

  • первая цифра означает, что конструкция первой модернизации;
  • буква «К» – консольный тип конструкции;
  • 160 –подача, м³/ч;
  • 30 – напор, м.
Типоразмер насосаВеличина для патрубка
ВсасывающийНагнетательный
FxFyFzMxMyMzFxFyFzMxMyMz
НН∙мНН∙м
К 160/30 1190 560 1010 470
Примечание: Ось X – вдоль оси насоса, ось Y – параллельно фланцу всасывающего патрубка, ось Z – вертикально вверх.
Типоразмер насосаВеличина для патрубка Ру, МПа (кгс/см²)
ВсасывающийНагнетательный
К 160/30 1,0(10) 1,0(10)
Наименование показателяЗначение показателя
Средняя наработка до отказа, ч
Средний ресурс до капитального ремонта, ч
Среднее время до восстановления, ч
Назначенный срок службы, лет
Коэффициент готовности
Срок сохраняемости, лет
6000
32000
8
6
0,998
2

Основные технические характеристики насоса К 160/30

Типоразмер насосаПараметрыПараметрыМасса
насоса
Q, м³/чH, мДКЗ, мМощность, кВтОбороты, об/минкг
К 160/30 160 30 4,2 30 1500 120

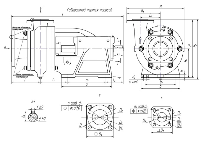
Габаритные размеры насоса К 160/30

Габаритные размеры насоса К 160/30
 
НасосLl1l2aа1bb1BB1B2hh1fHH1H2
К 160/30 830 179 214 264 200 310 265 527 302 200 25 45 12 480 200 537 
Насосdd1d2nn1DD0D1D2D3D4D5D6D7D8масса
К 160/30 42 18 18 8 4 260 150 225 202 100 148 170 205     120

Габаритные размеры насосного агрегата К 160/30

Габаритные размеры насосного агрегата К 160/30
 
Типоразмер агрегатаМощность, кВтLL1ll1l2AA1A2BB1B3B4Hhh1
К 160/30 30 1515 1025 177 310 155 430   680 527 465 200 302 560 295 280
Характеристики насоса К 160/30

 

Список комментариев:
Никаких комментариев пока не отправлено.
Рейтинг:

Оставьте отзыв о товаре:

Логин:

Другие модели из категории

Цена по запросу Насос 1К80-65-160м
Цена по запросу Насос К100-80-160б
Цена по запросу Насос К100-65-250б
Наверх