Заявка пуста

Обратная связь

Ваше сообщение успешно отправлено. Спасибо.

Насос ЦНС 13-175

13-175
5 5 1 Product
Цена по запросу

+

Характеристики

13 м³
175 м
2950 об/мин
18,5 кВт
1697х450х621 мм
457 мм

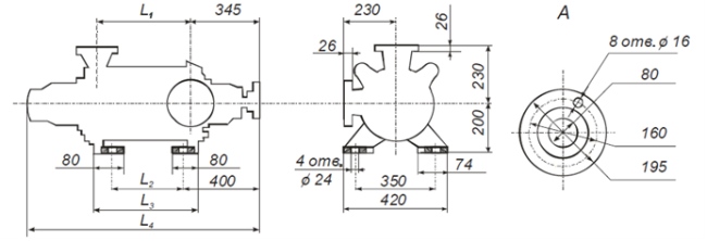
Габаритные размеры насоса

Габаритные размеры насоса ЦНС 13-175

МаркаL1L2L3L4Масса,кг
ЦНС  13-175 408 298 388 1052 250

 

Габаритные размеры агрегата

Габаритные размеры насосного агрегата ЦНС 13-175

Марка  Размеры, ммМасса, кг  
LBH
ЦНСА 13-175 1697 220 621 457

 

Характеристики

Характеристики насоса  ЦНС 13-175

 

 

 

 

 

Список комментариев:
Никаких комментариев пока не отправлено.
Рейтинг:

Оставьте отзыв о товаре:

Логин:

Другие модели из категории

Цена по запросу Насос ЦНС 60-225
Цена по запросу Насос ЦНС 300-300
Цена по запросу Насос ЦНС 38-154
Наверх