Заявка пуста

Обратная связь

Ваше сообщение успешно отправлено. Спасибо.

Насос ЦНС 60-231

Цена по запросу

+

Характеристики

60 м³
231 м
2950 об/мин
75 кВт
2190х527х790 мм
1223 мм

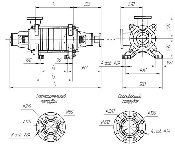
Габаритные размеры насоса

Габаритные размеры насоса ЦНС 60-231

МаркаL1L2L3L4Масса,кг
ЦНС  60-231 620 610 647 1270 331

Габаритные размеры агрегата

Габаритные размеры насосного агрегата ЦНС 60-231

Марка  Размеры, ммМасса, кг  
LBH
ЦНСА 60-231 2190 260 790 1223

Характеристики

Характеристики насоса  ЦНС 60-231

 

 

Список комментариев:
Никаких комментариев пока не отправлено.
Рейтинг:

Оставьте отзыв о товаре:

Логин:

Другие модели из категории

Цена по запросу Насос ЦНС 38-220
Цена по запросу Насос ЦНС 38-110
Цена по запросу Насос ЦНС 300-420
Наверх