Заявка пуста

Обратная связь

Ваше сообщение успешно отправлено. Спасибо.

Насос ЦНС 38-110

38-110
4.5 5 2 Product
Цена по запросу

+

Характеристики

38 м³
110 м
2950 об/мин
22 кВт
1722х450х640 мм
491 мм

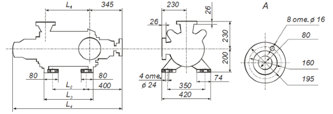
Габаритные размеры насоса

Габаритные размеры насоса ЦНС 38-110

МаркаL1L2L3L4Масса,кг
ЦНС 38-110 408 298 408 1052 239

Габаритные размеры агрегата

Габаритные размеры насосного агрегата ЦНС 38-110

Марка  Размеры, ммМасса, кг  
LBH
ЦНСА 38-110 1722 220 640 491

Характеристики

Характеристики насоса  ЦНС 38-110

 

 

Список комментариев:
Никаких комментариев пока не отправлено.
Рейтинг:

Оставьте отзыв о товаре:

Логин:

Другие модели из категории

Цена по запросу Насос ЦНС 300-420
Цена по запросу Насос ЦНС 300-120
Цена по запросу Насос ЦНС 13-140
Наверх