Заявка пуста

Обратная связь

Ваше сообщение успешно отправлено. Спасибо.

Насос ЦНС 13-210

13-210
5 5 1 Product
Цена по запросу

+

Характеристики

13 м³
210 м
2950 об/мин
18,5 кВт
1768х450х621 мм
494 мм

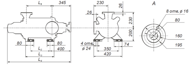
Габаритные размеры насоса

Габаритные размеры насоса ЦНС 13-210

МаркаL1L2L3L4Масса,кг
ЦНС  13-210 479 369 459 1123 271

 

Габаритные размеры агрегата

Габаритные размеры насосного агрегата ЦНС 13-210

Марка  Размеры, ммМасса, кг  
LBH
ЦНСА 13-210 1768 220 621 494

 

Характеристики

Характеристики насоса  ЦНС 13-210

 

 

 

 

 

Список комментариев:
Никаких комментариев пока не отправлено.
Рейтинг:

Оставьте отзыв о товаре:

Логин:

Другие модели из категории

Цена по запросу Насос ЦНС 180-383
Цена по запросу Насос ЦНС 300-300
Цена по запросу Насос ЦНС 300-480
Наверх