Заявка пуста

Обратная связь

Ваше сообщение успешно отправлено. Спасибо.

Насос ЦНС 300-300

Цена по запросу

+

Характеристики

300 м³
300 м
1500 об/мин
400 кВт
1387х450х561 мм
3907 мм

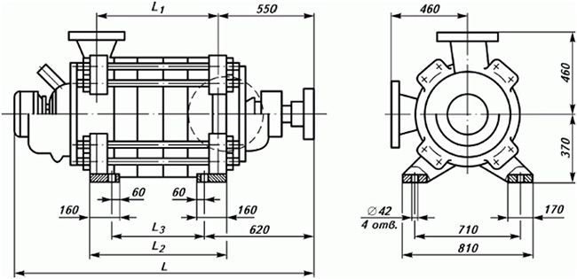
Габаритные размеры насоса

Габаритные размеры насоса ЦНС 300-300

МаркаL1L3LМасса,кг
ЦНС  300-300 676 536 1725 1599

Габаритные размеры агрегата

Габаритные размеры насосного агрегата ЦНС 300-300

МаркаРазмеры, ммМасса, кг
LB1B2H1H2
ЦНСА 300-300 3285 510 910 1070 1565 3907

Характеристики

Характеристики насоса  ЦНС 300-300

 

 

 

 

 

 

 

 

Список комментариев:
Никаких комментариев пока не отправлено.
Рейтинг:

Оставьте отзыв о товаре:

Логин:

Другие модели из категории

Цена по запросу Насос ЦНС 180-297
Цена по запросу Насос ЦНС 300-120
Цена по запросу Насос ЦНС 60-132
Наверх